HY1602B ЖК -дисплей Окно отображение старого вида символа 16x2. Размер 80x36

Вес товара: ~0.7 кг. Указан усредненный вес, который может отличаться от фактического. Не включен в цену, оплачивается при получении.
Описание товара
- Синий белый характер
- Желто -зеленый дно черный
- Изумрудный зеленый, желтый и зеленый
- Серо -белый фон (консалтинговый обслуживание клиентов)
- 5V
- 3В
- Информация о товаре
- Фотографии
| Рабочее напряжение: | 3В, 5V |
| Показать эффект: | Синий белый характер, Желто -зеленый дно черный, Изумрудный зеленый, желтый и зеленый, Серо -белый фон (консалтинговый обслуживание клиентов) |
Отправить инструкции,
Отправить данные программы экземпляра.
доставлятьCРутина
Exchange Editorship.Регулярные производители могут оказывать техническую поддержку, которая может быть открыта3Точка и17Нажмите на билет (партия).Цена партии лучше, Добро пожаловать, чтобы проконсультироваться.
VIPвыделенная линия13302908653Я предоставлю вам высококачественные и доступные продукты.

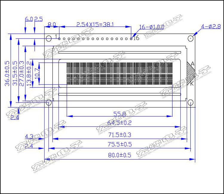
Диаграмма измерения:
Штифт | Пиннатское имя | Описание функции |
1 | VSS | Подключите к заземлению (0 В) |
2 | VDD | Подключитесь к положительному источнику питания (+5 В). |
3 | V0 | Разъем регулировки контрастности ЖК-монитора имеет самый слабый контраст при подключении к положительному источнику питания и самый высокий контраст при подключении к заземляющему источнику питания. Когда контраст слишком высок, это приведет к“Призрак”При использовании потенциометра 10K вы можете настроить контраст |
4 | RS | Выбор регистра, выбор регистра данных при высоком уровне, выбор регистра инструкций при низком уровне |
5 | R/W | Сигнальные линии чтения и записи, операции чтения выполняются при высоком уровне, а операции записи выполняются при низком уровне.Когда RS и RW оба имеют низкий уровень, можно записать инструкции или адреса дисплея. Когда уровень RS низкий, а уровень RW высокий, можно прочитать сигнал занятости. Когда уровень RS высокий, уровень RW низкий, данные можно записывать. |
6 | E | Включите терминал, когда терминал E переходит с высокого уровня на низкий уровень, ЖК-модуль выполняет команду |
7-14 | DBO-DB7 | 8битовая двунаправленная линия данных |
15 | LED-A | Положительный полюс мощности подсветки |
16 | LED-K | Отрицательный электрод мощности подсветки |
Параметры продукта:
тип Число | HY1602B | опечатать Пакет | COB |
Размеры | 80.0mm×36.0mm | Метод соединения | Проводящий клей |
Перспектива | 64.5mm×16.0mm | Интерфейс | Одноразовый и параллельный 16PIN |
точка линейка дюйм | 0.55mm×0.65mm | Подсветка | LED |
Размер персонажа | 2.95mm×5.55mm | Подсветка | Желтый зеленый/белый свет/красный свет и т. Д. |
Отображать контент | 16 символов×2 строки | Рабочее напряжение | +5V /3.3V |
Отображать | Желто-зеленый,Синий экран, серый экран | Рабочая Температура | -20 ~+70 ℃ |
контроль система устройство | SPLC780D | Температура хранения | -30 ~+80 ℃ |
Описание продукта:
Символьный ЖК-модуль HY1602B представляет собой матричный ЖК-модуль, специально используемый для отображения букв, цифр, символов и т. д. Разделен на 4-битный и 8-битный режимы передачи данных.Предложение 5×7 точечная матрица + режим отображения курсора.Предоставляет генератор буферов данных отображения CGRAM, вы можете использовать CGRAM для хранения максимум 8 5S, определенных по вашему собственному определению×Данные данные графического символа в 8 точках.Обеспечивает настройки инструкции:Обеспечить внутреннюю схему автоматической сброса.
Содержимое дисплея состоит из 2 строк, каждая строка отображает 16 символов, а размер каждого символа составляет 5.×8 часов.
В ОЗУ генератора символов можно настроить символы из 12 разных стран, включая японский и русский, в соответствии с потребностями клиента.
Появление производства компании:











