Мотор, 6W, 15W, 25W, 40W, 60W, 90W, 120W, 180W, 200W, 250W, 300W, (в наличии на складе)

Цена: 1 691-2 008руб. (¥80)
Артикул: 5748216420
Доставка по Китаю (НЕ включена в цену):
423 руб. (¥20)
Вес товара: ~0.7 кг. Указан усредненный вес, который может отличаться от фактического. Не включен в цену, оплачивается при получении.
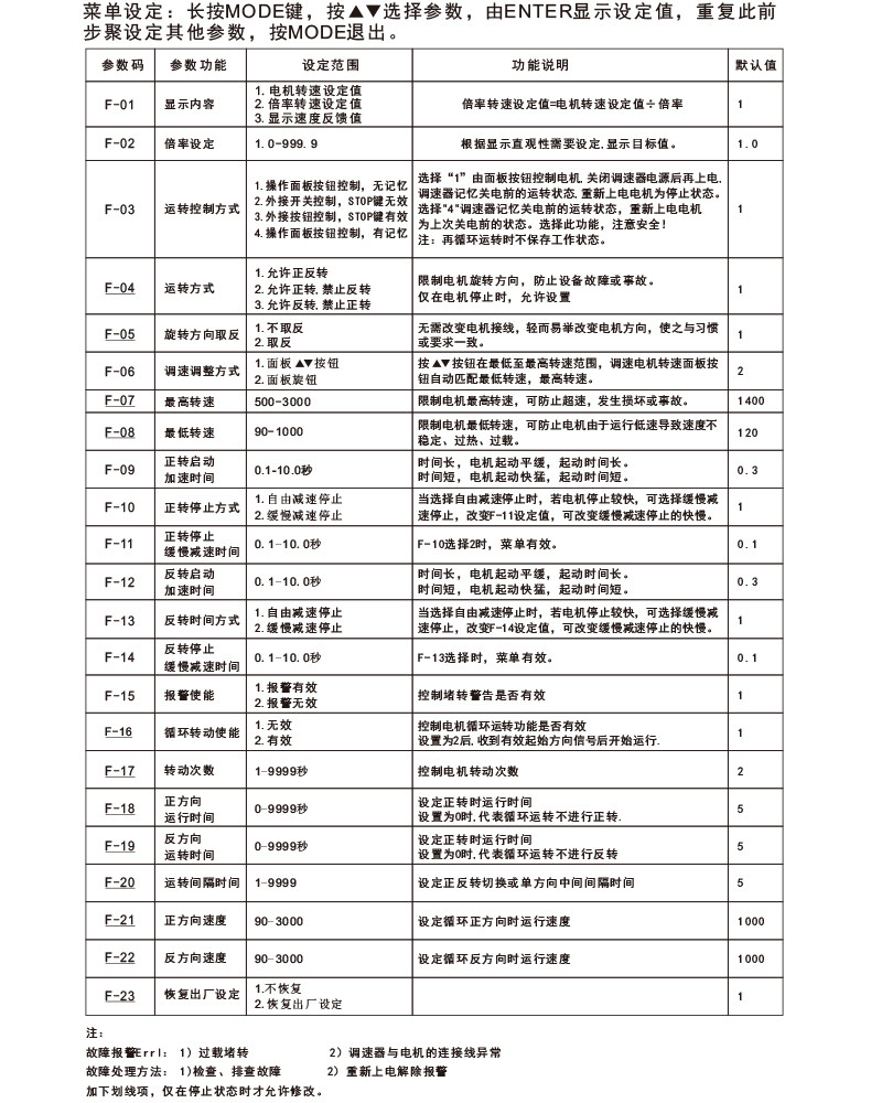
Описание товараPGRpdj48aW1nIHNyYz0iaHR0cHM6Ly9pbWcuYWxpY2RuLmNvbS9pbWdleHRyYS9pMi8zNTE3NzE2Ni9PMUNOMDFjTGFIUTgyMm80b3pBcVRteF8hITM1MTc3MTY2LmpwZyI+PC9kaXY+PGRpdj48aW1nIHNyYz0iaHR0cHM6Ly9pbWcuYWxpY2RuLmNvbS9pbWdleHRyYS9pMi8zNTE3NzE2Ni9PMUNOMDEzM09ZbFMyMm80cDRKUzRFYV8hITM1MTc3MTY2LmpwZyI+PC9kaXY+PGRpdj48aW1nIHNyYz0iaHR0cHM6Ly9pbWcuYWxpY2RuLmNvbS9pbWdleHRyYS9pMS8zNTE3NzE2Ni9PMUNOMDE4UkZ1ODAyMm80cDQwUWE5eV8hITM1MTc3MTY2LmpwZyI+PC9kaXY+
Продавец:tarot1986
Рейтинг:

Всего отзывов:0
Положительных:0
Выберите вариацию / цвет
Добавить в корзину
- Информация о товаре
- Фотографии
| Цвет: | Номер 6 Вт, показывающий спидер, Регулятор скорости цифрового дисплея 15 Вт, Регулятор скорости цифрового дисплея 25 Вт, 40 Вт регулятор скорости цифрового дисплея, 60 Вт регулятор скорости цифрового дисплея, Регулятор скорости цифрового дисплея 90 Вт, 120 Вт регулятор скорости цифрового дисплея, Регулятор скорости цифрового дисплея 140 Вт, Регулятор скорости цифрового дисплея 160 Вт, Регулятор скорости цифрового дисплея 180 Вт, Регулятор скорости цифрового дисплея 200 Вт, Регулятор скорости цифрового дисплея 250 Вт, Регулятор скорости цифрового дисплея 300 Вт |










