(20 e e 寮 € 鍏 鍏 忓 忓 灦 灦 6*6*4.3/5/6/7/8/9/10/11 渚 Fe 寜 夐敭 夐敭 夐敭 夐 夐 夐 夐 夐 夐 夐 夐敭 夐敭 夐敭 夐敭 夐敭 夐敭

Вес товара: ~0.7 кг. Указан усредненный вес, который может отличаться от фактического. Не включен в цену, оплачивается при получении.
Описание товара
- 9
- 10
- 4.3
- 5
- 6
- 7
- 8
- Информация о товаре
- Фотографии
| Технические характеристики: | 4.3, 5, 6, 7, 8, 9, 10 |
Один = 20
Световой переключающий браслет 6*6*4.3/5/6/7/8/9/1/10/11 Нажмите переключатель кнопки Micro -Motion 2 PIN
Спецификация серии тактичных переключателей
1. Используйте температуру температуры: -25°~+85°C
2. Нагрузка на нагрузку на нагрузку: DC12V 0,1a
3. Свяжитесь с резиденцией Cestiance Contactance:<=0.03Ω
4. Выдерживая давление, выдерживающее напряжение: AC250 В (50 Гц) /мин
5. Фактическое усилие действия: 1,3+-0,5N
6. Устойчивость к устойчивости к изоляции сопротивления:>=100MΩ
7. Жизнь Жизнь: 100000 раз (раз)
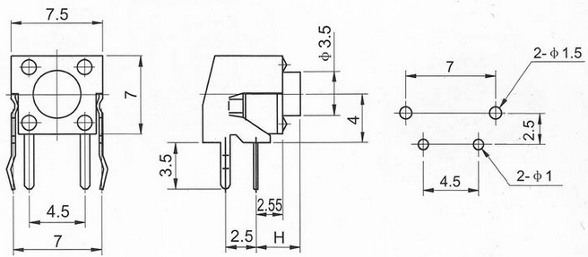
Карта размера ссылки:
Примечание (замечание): H на рисунке ниже представляет высоту, а устройство составляет миллиметр.
Например, 6*6*9,5, то есть высота 9,5 мм (мм)





