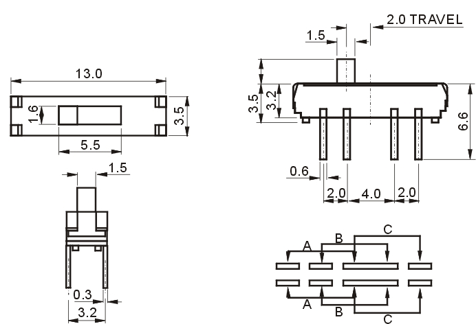
MSS23D18 вставил восьмиболочный трехлетний прямая вставка вертикальной штекерной шкафа 2P3T 3 переключателя шестерни.

Цена: 6руб. (¥0.28)
Артикул: 44588341440
Вес товара: ~0.7 кг. Указан усредненный вес, который может отличаться от фактического. Не включен в цену, оплачивается при получении.
Описание товараPHA+TVNTMjNEMTgg0JLQtdGA0YLQuNC60LDQu9GM0L3QsNGPINC/0YDRj9C80LDRjyDQstGB0YLQsNCy0LrQsCAyUDNUIDMgR0VBUkVERU5URUQgVEVIUk8gLURFQVIgTUlDUk8gLURJQUwgU1dJVElDRSZuYnNwOzwvcD48cD48ZW0+PGltZyBhbGlnbj0iYWJzbWlkZGxlIiBzcmM9Imh0dHBzOi8vaW1nLmFsaWNkbi5jb20vaW1nZXh0cmEvaTQvNzExNTI1MTc2L1RCMnpqSkhjVlhYWFhicFhYWFhYWFhYWFhYWC03MTE1MjUxNzYuZ2lmIj48L2VtPjwvcD48cD48c3BhbiBzdHlsZT0iY29sb3I6IHdoaXRlO2xpbmUtaGVpZ2h0OiAwLjBweDtmb250LXNpemU6IDAuMHB4OyI+LXwtXy18LTwvc3Bhbj48L3A+
Продавец:michaelgenesis8
Рейтинг:

Всего отзывов:0
Положительных:0
Добавить в корзину
- Информация о товаре
- Фотографии
MSS23D18 Вертикальная прямая вставка 2P3T 3 GEAREDENTED TEHRO -DEAR MICRO -DIAL SWITICE

-|-_-|-
