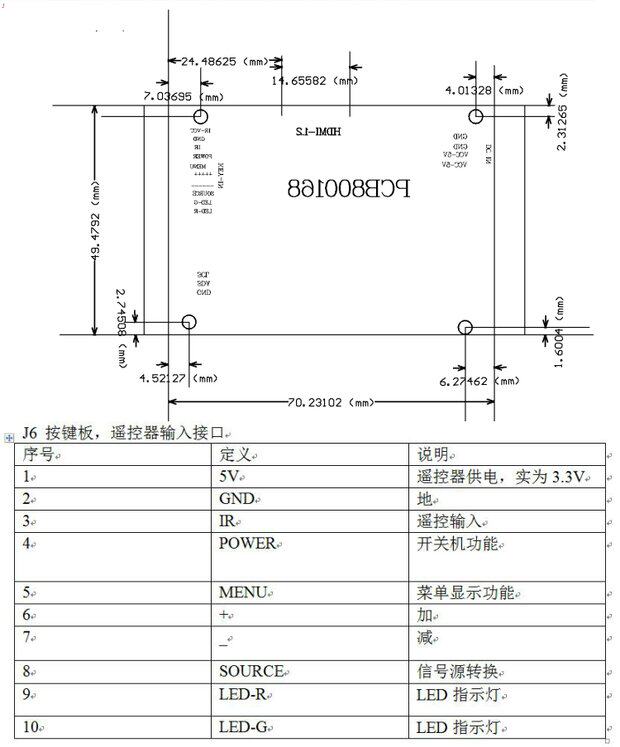
PCB800168 Single HDMI -управляемая HDMI Transfer TTL вращающаяся плата 7 -INCH 8 -INCH

Цена: 1 036руб. (¥49)
Артикул: 602033009182
Доставка по Китаю (НЕ включена в цену):
106 руб. (¥5)
Вес товара: ~0.7 кг. Указан усредненный вес, который может отличаться от фактического. Не включен в цену, оплачивается при получении.
Описание товараPGltZyBhbGlnbj0iYWJzbWlkZGxlIiBzcmM9Imh0dHBzOi8vaW1nLmFsaWNkbi5jb20vaW1nZXh0cmEvaTIvMjQyMDAyODM0L08xQ04wMXpITnRUdzFXbzFLekgzOWd4XyEhMjQyMDAyODM0LmpwZyI+PGltZyBhbGlnbj0iYWJzbWlkZGxlIiBzcmM9Imh0dHBzOi8vaW1nLmFsaWNkbi5jb20vaW1nZXh0cmEvaTIvMjQyMDAyODM0L08xQ04wMVpFT2VrYjFXbzFLekgzWWRVXyEhMjQyMDAyODM0LmpwZyI+PGltZyBhbGlnbj0iYWJzbWlkZGxlIiBzcmM9Imh0dHBzOi8vaW1nLmFsaWNkbi5jb20vaW1nZXh0cmEvaTEvMjQyMDAyODM0L08xQ04wMXgzYUNZejFXbzFLdWRhbEh6XyEhMjQyMDAyODM0LmpwZyI+PGltZyBhbGlnbj0iYWJzbWlkZGxlIiBzcmM9Imh0dHBzOi8vaW1nLmFsaWNkbi5jb20vaW1nZXh0cmEvaTQvMjQyMDAyODM0L08xQ04wMTQ2U2ZMRDFXbzFLdWh2RVdzXyEhMjQyMDAyODM0LmpwZyI+PGltZyBzcmM9Imh0dHBzOi8vd3d3Lm8wYi5jbi9pLnBocD90LnBuZyZyaWQ9MjIuNjlhMDc4NDMwZGYwZCZwPTg0NTA1OTczJms9ZS5jb20mdD0xNzcyMTI0MjI4IiBzdHlsZT0iZGlzcGxheTpub25lIj4=
Продавец:深圳市巨康电子数码配件店
Рейтинг:

Всего отзывов:0
Положительных:0
Добавить в корзину
- Информация о товаре
- Фотографии









