ЖК -телевизионный усилитель

Вес товара: ~0.7 кг. Указан усредненный вес, который может отличаться от фактического. Не включен в цену, оплачивается при получении.
Описание товара
- Информация о товаре
- Фотографии
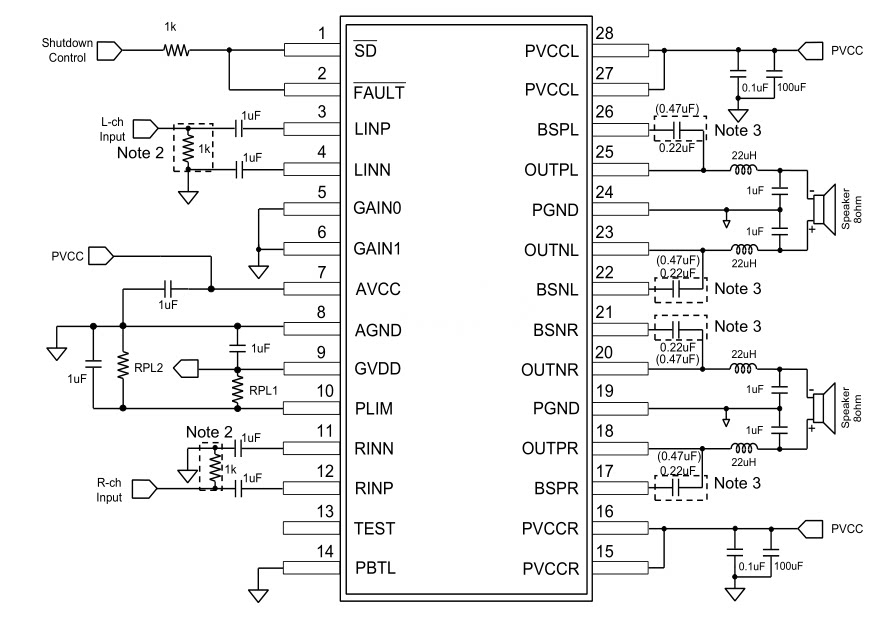
2*20 Вт модуль цифрового усилителя, подходящий для бытовых приборов, таких как ЖК -телевизор, DVD, телевизионная коробка, малый усилитель мощности.Схема зрелая и стабильная. Она используется на материнской плате ЖК -телевизора и подходит для 4 евро и 8 евро.Во время модификации левый вход и правый вход звука и правый вход подключены на ногах исходной машины (исходная машина должна быть отключена или удалена).Материнская плата со звуком на интерфейсе гарнитуры ЖК -телевизора может ввести эту аудио входную ногу на интерфейсе гарнитуры. Материнская плата имеет аудиовыход с аудио -выводом. Основное сиденье AV следует отключить или обработать исходным источником интерференций машины с оригиналом Машина. После изменения аудиопорта AV, исходный объем машины нельзя контролировать. Нельзя использовать громкость ящика -top -бокса.
Мощность одного канала составляет 10 Вт при питании от 12 В, а мощность одного канала — 20 Вт при питании от 24 В. Выход по умолчанию 20 дБ.

Доска составляет 4,5 см в длину и ширину 2,7 см


4.5-26V источник питания, параметры следующие:
Высокая длина, ширина и высота: 45*27*12 (мм)
Single supply voltage
4.5V ~ 26V for loudspeaker driver
Built-in LDO output 5V for others
l Loudspeaker power from 24V supply
BTL Mode: 20W/CH into 8W @<1% THD+N
l Loudspeaker power from 12V supply
Режим BTL: 10 Вт/Ch в 8 Вт при 10% THD+N (
L 88% Эффективная операция класса D устраняет необходимость в радиаторе
l Differential inputs
l Four selectable, fixed gain settings
l Internal oscillator
L Защита от короткого замыкания с вариантом Auto Recovery
l Under-Voltage detection
l Over-Voltage protection
l Pop noise and click noise reduction
L Регулируемая функция ограничения мощности для защиты динамиков
L
l Filter-Free operation
L Слива температурной защиты с автомобильным восстановлением
l Superior EMC performance
Нагрев чипа при обычном использовании — это нормально.Не прикасайтесь к чипу, когда он включен (во избежание повреждения чипа статическим электричеством).
Для других часто используемых аксессуаров, пожалуйста, нажмите на ссылку на детскую ссылку ниже
DC-DC 3A Модуль анти-давления вход модуля 5-15 В 1,25 В 1,5 1,8 2,5 3,3 5 В
ЖК -телевизионный экран Разборка всасывающей чашки для разборки экрана
Трава -тирловая анти -статическая пинцэзер твердого из нержавеющей стали.
LED LCD TV 26-55-дюймовый GM LED BARTLIGHT TV Высоковольтная доска подсветка
ЖК -телевизионное ремонт Универсальный источник питания/рабочее обслуживание
Многофункциональная набор нагрева жестки.
EMMC Tin Steel Network BGA Plant Steel Network Xiaosteel BGA169/BGA153 Плата 5 кусочков
Значение BGA Chip Жемчужные бусинки ЖКД
BGA169/BGA153 RT809H Special Special Emmc Turntable RT-BGA169-01 Hyun Yue Electric Appliance
Жидкокристаллическая оболочка инструмента Shell BGA Screamp
Несколько или болееВозьмите только одну стоимость доставки с другими аксессуарами, и заказ составляет более 120 юаней бесплатной доставки!Явное признание Yunda Express, Shentong Express или Post Express. Без особых потребностей мы выберем правильную экспресс -доставку в соответствии с временем оплаты и области.Вы также можете отправить раунды и другой общий курьера. Если вам не нужно выразить курьера по умолчанию, свяжитесь с инструкциями по обслуживанию клиентов, прежде чем оплачивать (эти экспресс -доставки не сотрудничают, чтобы сделать 5 Yuan Freight), попросив SFO сделать UP 10-16 Yuan Freight, или переключение на платеж, чтобы оплатить сущностьТибет Синьцзян Регион по умолчанию по умолчанию или другой экспресс -доставке должен быть составлен для почтовых расходов.Те, кто платит до 7 часов вечера, могут быть выданы (Shentong или Yunda) в тот же день. Это должно быть 6 часов зимой, а оплата будет доставлен на следующий день до предыдущего периода.
Успешная транзакция может быть передана всем 5 точкам похвалы.Пересечение
Электрические аксессуары Hyun Yue: Продайте ЖК -телевизионные аксессуары ЖКД ТВ -плата плазматическая пласка телевизионной платы; ЖК -телевизионное телевидение Инструменты обслуживания: программист RT809F RT809H Programmer JT1199 Programmer.ЖК -телевизионный тестовый инструмент для тестирования ЖК -экрана инструмент для тестирования экрана ЖКД -телевизионный тестовый тестер подсветка ЖК -телевизор Data Fiaash Program Program емкостью LCD ТВ чтение памяти и писательские места, добро пожаловать все мастера, чтобы купить!


















