CBA-B/CB-BNS/НАСЛЕДОВАНИЕ СТАВИНГО СТАЛЬНАЯ СТАЛЬНА

Вес товара: ~0.7 кг. Указан усредненный вес, который может отличаться от фактического. Не включен в цену, оплачивается при получении.
Описание товара
- CBA-B100
- CB-BNS25
- CBA-B20
- CBA-B16
- CB-BNS20
- CBA-B6

- CBA-B25
- CB-BNS16
- CBA-B125
- CBA-B80

- Информация о товаре
- Фотографии
| Цвет: | Моторная группа, CB-BNS25, CBA-B16, CBA-B6, CB-BNS16, CBA-B100, CBA-B25, CBA-B20, CB-BNS20, CBA-B125, CBA-B80, CBA-B10 |






CB-BNS Керамическая насос из нержавеющей стали-это новый тип химического насоса, разработанного и разработанного на основе насоса передачи CB-B.Насос имеет преимущества кислоты и щелочи, устойчивости к истиранию, высокотемпературной устойчивости, низкого шума и длительного срока службы.Он широко подходит для кастинговой машины, фармацевтической, химической, пищевой промышленности и другого оборудования и оборудования и химического оборудования.
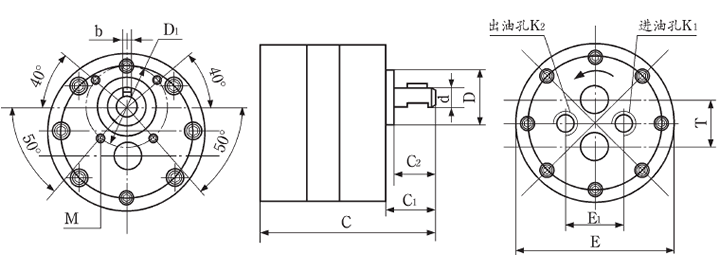
Во -вторых, размер внешнего вида и установки

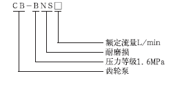
В -третьих, описание модели

В -четвертых, технические параметры
модель | поток L/min | Скорость r/min | давление MPa | Высокое поглощение нефти mm |
CB-BNS1 | 1 | 1450 | 1.6 | 300 |
CB-BNS2.5 | 2.5 | |||
CB-BNS4 | 4 | |||
CB-BNS6 | 6 | |||
CB-BNS10 | 10 | |||
CB-BNS16 | 16 | |||
CB-BNS20 | 20 | |||
CB-BNS25 | 25 | |||
CB-BNS32 | 32 |
5. Технические спецификации
модель | C | E | C1 | C2 | D1 | D2 | d | E1 | T | b | M | K1 | K2 |
CB-BNS1 | 92 | Φ95 | 30 | 25 | Φ35 | Φ50 | Φ12 | 20 | 30 | 4 | M6 | Z1/4" | Z1/8" |
CB-BNS2.5 | 88 | 35 | Z3/8" | Z3/8" | |||||||||
CB-BNS4 | 92 | ||||||||||||
CB-BNS6 | 96 | ||||||||||||
CB-BNS10 | 104 | ||||||||||||
CB-BNS16 | 111 | Φ120 | 35 | 30 | Φ50 | Φ65 | Φ16 | 50 | 42 | 5 | M8 | Z3/4" | Z3/4" |
CB-BNS20 | 115 | ||||||||||||
CB-BNS25 | 119 | ||||||||||||
CB-BNS32 | 123 |
Примечания: 1. Зуб входов аквариума CB-BNS1 впускной трубки установлен на левой стороне задней крышки (глядя на осевой конец)
2. Когда транспортная среда представляет собой жидкость с низкой водой или вязкостью, ее можно объяснить при заказе
Может быть спроектирован и изготовлен в соответствии с требованиями клиента
Передача - это вращающийся насос, который опирается на изменение и перемещение рабочего объема, образованного между цилиндром насоса и передачей сетки для переноса жидкости или подчеркивания ее.Два закрытых пространства состоят из двух шестерни, корпуса насоса и передней и задней крышки. Когда шестерна вращается, объем пространства на отключенной стороне передачи увеличивается от малого до большого, образуя вакуум, всасывая жидкость, а объем пространства на стороне свисания передачи переключается от большого на малый, а жидкость втиснут в трубопровод.Всасывающая камера и камера разряда разделены линией сетки двух передач.Давление на выходе на выходе на насосе полностью зависит от величины сопротивления на насосе.
Методы улучшения производительности передач насоса Технические функции причина двигателя двигателя и методы устранения для недостаточного выходного потока насосов для передачи расширяют название насоса шестерня
Передача насоса английское название: насос колес
Анализ принципа работы насоса передачи
Структура извне заинтересованного двойного передачи насоса.Пара перерывочных шестерни и цилиндров насоса отделяет всасывающую камеру от разрядной камеры.Когда передачи вращаются, объем между зубами на боковых зубчатых зубах на стороне всасывающей камеры постепенно увеличивается, давление уменьшается, и жидкость попадает в зубы под действием дифференциала давления.Когда шестерни вращаются, жидкость между зубами доставляется в камеру разряда.В это время объем между зубьями при сетке зубьев зубчатых зубов постепенно сжимается, а жидкость разряжается.Дестерские насосы подходят для транспортировки смазочных жидкостей, которые не содержат твердых частиц, не являются коррозионными и имеют большой диапазон вязкости.Скорость потока насоса может достигать 300 метров в час, а давление может достигать 3×107 Па.Обычно используется в качестве гидравлического насоса и транспортирует различные масляные изделия.Насос с передачей имеет простую и компактную структуру, простую в производстве, прост в обслуживании и обладает способностью самоповреждения, но пульсация потока и давления велики, а шум высокий.Насос с передачей должен быть оснащен предохранительным клапаном, чтобы предотвратить повреждение насоса или первичного двигателя по какой -то причине, например, как блокировка выходной трубы, что приводит к превышению допустимого значения давления на насосе.
Введение в принцип рабочего насоса
Концепция зубчатого насоса очень проста, то есть его основной формой является то, что две шестерни с одинаковым размером вращаются в близкому оболочке.“8”В форме шрифта две шестерни установлены внутри, а внешний диаметр и стороны передачи тесно связаны с корпусом.Материал из экструдера попадает в середину двух шестерни в всасывающем порту и заполняет это пространство, движется вдоль оболочки, когда зубы вращаются, и, наконец, разряжаются при включении двух зубов.С точки зрения терминологии, передаточный насос также называют положительным устройством смещения, которое похоже на поршень в цилиндре. Когда один зуб попадает в жидкое пространство другого, жидкость механически выжимается.Поскольку жидкость несжимается, жидкость и зубы не могут одновременно занимать одно и то же пространство, поэтому жидкость устраняется.Из -за непрерывной сетки зубов это явление происходит непрерывно, поэтому на выходе насоса предусмотрено непрерывное количество удаления. Количество разряда одинакова для каждого вращения насоса.Когда приводной вал вращается непрерывно, насос также непрерывно разряжает жидкость.Скорость потока насоса напрямую связана со скоростью насоса.Фактически, в насосе существует небольшое количество потерь жидкости, которая предотвращает эксплуатационную эффективность насоса до 100%, поскольку эти жидкости используются для смазки подшипников и сторон передачи, а корпус насоса не может быть сопоставлен без пробелов, поэтому жидкость не может быть выброшена на 100% из выходе, поэтому небольшое количество потери жидкости неизбежна.Тем не менее, насос все еще может работать хорошо, и для большинства экструдированных материалов он все еще может достичь эффективности от 93% до 98%.Для жидкостей, чья вязкость или изменение плотности в процессе, этот насос не будет влиять на слишком сильно.Если есть демпфер, например, поставить фильтр или ограничитель на выходной стороне, насос проталкивает жидкость через них.Если этот демпфер изменяется во время работы, то есть, если фильтр становится грязным, заблокированным или поднимается обратное давление ограничителя, насос все равно будет поддерживать постоянный поток, пока не достигнет механического предела самого слабого компонента в устройстве (обычно оснащенное ограничителем крутящего момента).На самом деле существуют ограничения на скорость вращения насоса, которая в основном зависит от жидкости процесса. Если масло передается, насос может вращаться на очень высокой скорости, но когда жидкость представляет собой расплав с высокой вязкостью, это ограничение будет значительно уменьшено.Очень важно протолкнуть высокую вязкую жидкость в пространство с двумя зубами на одной стороне входного отверстия. Если это пространство не заполнено, насос не может разряжать точный поток, поэтому значение PV (давление)×Скорость потока) также является еще одним ограничивающим фактором и является переменной процесса.Из -за этих ограничений производители передач насоса будут предоставлять ряд продуктов, а именно, различные спецификации и смещения (количество разряжается на революцию в неделю).Эти насосы будут объединены с конкретными процессами применения для оптимизации системных возможностей и цены.Шечатые передачи и вал насоса PEP-II интегрированы в один, и весь процесс упрочнения тела может достичь более длительной рабочей жизни.“D”Типовой подшипник объединяет обязательный механизм смазки, чтобы сделать полимер через поверхность подшипника и вернуть импортируемую сторону насоса, чтобы обеспечить эффективную смазку вращающегося вала.Эта особенность уменьшает возможность удержания и деградации полимера.Можно использовать корпус насоса для точной обработки“D”Подшипники точно соответствуют валу передач, чтобы гарантировать, что вал передач не эксцентричен и предотвращает инициатор передачи.Структура печати Parkool и политетрафторолип-уплотнение вместе образуют уплотнение с водяным охлаждением.Это уплотнение на самом деле не связывается с поверхностью вала, и его принцип уплотнения состоит в том, чтобы охладить полимер до полуосчетного состояния, чтобы сформировать самостоятельную.Также могут использоваться реосютные уплотнения, которые обрабатываются с обратными спиральными канавками на внутренней поверхности уплотнения вала, что позволяет обратно обратно полимеру к импорту.Для простоты установки производитель спроектировал монтажную поверхность кольцевой болты, чтобы соответствовать установке фланца другого оборудования, что облегчает производство цилиндрического фланца.Пеп-II-насос имеет насосные элементы, которые соответствуют спецификациям насоса, которые доступны для пользователей на выбор, что обеспечивает быстрый нагрев и тепло.В отличие от метода нагрева тела насоса, повреждение этих компонентов ограничено одной платой и не имеет ничего общего со всем насосом. Насос с передачей приводится в движение независимым двигателем, который может эффективно блокировать пульсацию давления вверх по течению и колебания потока. Пульсация давления на выходе на насос передачи может контролироваться в пределах 1%.Использование передаточного насоса на экструзионной производственной линии может улучшить скорость выходного потока, уменьшить сдвиг и время задержки материалов в экструдере, снизить температуру экструзии и пульсацию давления для повышения производительности и качества продукта
Работа и техническое обслуживание передачи
1. Запуск: (1) Проверьте герметинг всех трубопроводных фланцев и суставов перед запуском.(2) Диск -связь, без трения или столкновения.(3) Первый старт должен быть введен в насос. (4) Перед запуском клапаны в трубопроводах всасывания и разрядных трубопроводов должны быть полностью открыты, а отключенный клапан должен быть строго запрещен запуска. (5) После проверки направления вращения двигателя запустите двигатель. 2. Парковка: (1) Выключите мотор. (2) Закройте впускные и выходные клапаны насоса.
Распространенные ошибки и методы обслуживания передач насосы
(1) Феномен неисправности: насос не может разряжать материал. Причины вины: а. Направление вращения противоположное; беременный Всасывающий или разрядный клапан закрыт; в На входе нет материала, или давление слишком низкое; дюймовый Вязкость слишком высока, и насос не может кусать материал. Контрмеры: а. Подтвердите направление вращения; беременный Подтвердите, закрыт ли клапан; в Проверьте клапан и датчик давления; дюймовый Проверьте вязкость жидкости. Пропорциональна тем, пропорциональна скорости потока при работе на низкой скорости. Если есть скорость потока, приток будет недостаточным. (2) Феномен неисправности: недостаточная скорость потока насоса. Причины вины: а. Всасывающий или разрядный клапан закрыт; беременный Давление входа низкое; в Выходной трубопровод заблокирован; дюймовый Утечка упаковочной коробки; эн. Скорость слишком низкая. Контрмеры: а. Подтвердите, закрыт ли клапан; беременный Проверьте, открыт ли клапан; в Подтвердите, является ли объем разряда нормальным; дюймовый Сжатие; Когда большое количество утечек влияет на производство, операция должна быть остановлена, разобрана и проверена; эн. Проверьте фактическую скорость вала насоса; (3) Феномен разлома: ненормальный звук. Феномен разлома: а. Соединение является эксцентричной или плохой смазкой b. Сбой двигателя; в Редоусор является ненормальным; дюймовый Уплотнение вала установлено плохо; эн. Деформация вала или износ контрмеры: a. Исправить или заполнить смазку; беременный Проверьте мотор; в Проверьте подшипник и снаряжение; дюймовый Проверьте уплотнение вала; эн. Осмотр из разборки парковки (4) Феномен отказа: Слишком высокая текущая причина ошибки: a. Выходное давление слишком высокое; беременный Вязкость расплава слишком большая; в Уплотнение вала слишком велика; в Уплотнение вала плохая; дюймовый Стержень или подшипник изношен; эн. Провал моторных сбоев: а. Проверьте вниз по течению оборудование и трубопроводы; беременный Проверьте вязкость; в Проверьте уплотнение вала и отрегулируйте соответствующим образом; дюймовый Проверьте, является ли машина слишком тяжелая после остановки; эн. Проверьте мотор (5) Феномен неисправности: насос внезапно останавливается на причине отказа: a. Отключение электроэнергии; беременный Защита от перегрузки двигателя; в Урон со связью; дюймовый Избыточное давление слишком высокое, взаимосвязающая реакция; эн. Аномальный укус в насосе; фон Ось и подшипник застряли. Контрмеры: а. Проверьте источник питания; беременный Проверьте мотор; в Откройте крышку безопасности и проверьте автомобиль; дюймовый Проверьте систему взаимодействия прибора; эн. После парковки подтвердите прямой и обратный ротационный автомобиль; фон Подтвердите машину
Национальные стандарты для передачи насоса
[1] JB/T 7041-2006 Гидравлический насос зубчатого колеса JIS B8312-2002 Рукоятный насос и винтовой насос. Гидравлический тест принятия производительности JB/T 51055-1999 Сельскохозяйственные насосы сельскохозяйственного насоса Классификация качества продукта JB/T 53312-1999 Классификация качества продукции передач. Серия размеров и следы установки фланца и расширения насоса сельскохозяйственного шестерни JB/T 9835.1-1999 Сельскохозяйственные насосы Технические условия MT/T 573-1996 Метод испытаний для мино 8038-1994 Технические требования для рыболовной лодки CB и HY01 Ремонт передач насос JIS B8408-1994 Рухоночный насос для брызговых пистолетов JB/T 7042-1993 Метод испытаний на насосы гидравлического зубчатого колеса JB/T 7041-1993 Гидравлические шестерни. Технические условия jb/t 6434-1992 МЕТОДЫ ПЕРЕДАЧА МЕТОДЫ НАССИТЕЛЬНЫХ МЕТОДА CBM 2209-1982 для Морского электрического зубчатого насоса CBM 2207-1982 Типы и основные параметры морских насосов электрического зубчатого колеса CBM 2208-1982 Технические условия морских электрических насосов [2] [2]
Структурные особенности
Объединение использует новую технологию с продвинутым уровнем 90 лет в мире - синусоидальная изогнутая зубная дуга с двойной дугой. По сравнению с Eailute Gears его наиболее заметным преимуществом является то, что поверхность профиля зубов не скользит относительно во время процесса сетки передачи, поэтому поверхность зуба не носится, работает сбалансирована и не имеет улавливания жидкости, низкого шума, длительного срока службы и высокой эффективности. Насос отрывается от ограничений традиционного дизайна, позволяя передач -насосам входить в новое поле в проектировании, производстве и использовании.Насос оснащен дифференциальным давлением в качестве защиты от перегрузки, а полное возвращаемое давление защитного клапана в 1,5 раза превышает номинальное давление нагнетателя насоса.Он также может быть отрегулирован отдельно в пределах допустимого диапазона давления разряда в соответствии с фактическими потребностями.Тем не менее, этот предохранительный клапан не может быть использован в качестве клапана с уменьшением давления в течение длительного времени и может быть установлен отдельно на трубопроводе, если это необходимо.Уплотнение конца насоса разработано в двух формах, одна из них является механическим уплотнением, а другой - уплотнение, которое можно определить на основе конкретных условий использования и требований пользователя.
Сложное нефтяное явление и разгрузка
1 Опасность захвата нефти: 2 Удалите захват нефти: 3 меры утечки и компенсации насоса передач 4 мер для увеличения давления на насос внешнего перемешивания. 2 меры: Чтобы уменьшить влияние сил радиального дисбаланса, обычно принимается метод уменьшения давления нефтяного порта.Уменьшите количество зубов передачи, тем самым уменьшая диаметр верхнего круга зуба и уменьшая область подшипника давления.Соответствующим образом увеличить радиальное разрешение.6. Насос внутреннего сетки
Как улучшить улучшение производительности насоса передач
Полученная цепь для улучшения производительности насосов для зубчатого масла. Из -за структурных ограничений с фиксированным смещением, как правило, считается, что в качестве постоянных гидравлических источников постоянного потока можно использовать постоянные гидравлические источники.Тем не менее, аксессуары и схема совместного комбинированного клапана с резьбой эффективны для улучшения его функций, снижения затрат на систем и повышения надежности системы. Следовательно, производительность насоса для шестерни может быть близка к дорогостоящим и сложным насосам плунжера.Непосредственная установка управляющего клапана на насос может устранить трубопровод между насосом и направленным клапаном, тем самым контролируя стоимость.Меньше фитингов труб и разъемов может уменьшить утечку, тем самым повышая надежность работы.Кроме того, сам насос устанавливает клапан для снижения давления циркуляции цепи и улучшения его рабочей производительности.Ниже приведены некоторые схемы, которые могут улучшить основные функции передаточных насосов, некоторые из которых представляют собой основные схемы, которые, как было доказано, осуществимы, в то время как другие являются инновационными исследованиями.Схема разгрузки Элемент разгрузки будет объединен с большим проточным насосом с небольшим мощным однополками.Из -за конструкции двух насосов с шестернями насос с передачей можно использовать только в качестве постоянного гидравлического источника потока из -за структуры фиксированного смещения.Тем не менее, аксессуары и схема совместного комбинированного клапана с резьбой эффективны для улучшения его функций, снижения затрат на систем и повышения надежности системы. Следовательно, из -за структурного ограничения фиксированного смещения, как правило, считается, что насос с шестеренным маслом используется только в качестве гидравлического источника постоянного потока.Тем не менее, аксессуары и схема совместного комбинированного клапана с резьбой эффективны для улучшения его функций, снижения затрат на систем и повышения надежности системы. Следовательно, производительность насоса для шестерни может быть близка к дорогостоящим и сложным насосам плунжера.Производительность близка к дорогим и сложным насосам плунжера.Выход продукта разряжается до тех пор, пока не будет достигнуто заранее определенное давление и/или расход.В это время насос с высоким потоком циркулирует поток от ее выхода к входу, тем самым уменьшая выходной поток насоса в систему, то есть уменьшая мощность насоса до значения, немного выше, чем требуемая работа части высокого давления.Процент снижения потока зависит от отношения неособого смещения к общему смещению в это время.Комбинированные или резьбовые разгрузочные клапаны уменьшают или даже устраняют трубы, отверстия, аксессуары и другие возможные утечки.Самый простой элемент разгрузки управляется вручную.Пружина включает или закрывает разгружающий клапан, и когда клапан дается управляющий сигнал, клапан включается и выключается.Рычаг или другой механический механизм - самый простой способ управлять таким клапаном.Руководство (пневматическое или гидравлическое) разгрузочные клапаны - это улучшение в режиме работы, поскольку такие клапаны могут управлять дистанционным управлением.Его самый большой прогресс - использование соленоидных клапанов, контролируемых электрическими или электронными переключателями. Это может не только управлять удаленно, но также автоматически управлять микрокомпьютером. Эта простая технология разгрузки, как правило, считается лучшим случаем для приложения.Элементы разгрузки вручную часто используются для цепей, которые требуют больших скоростей потока для быстрого действия и требуют больших скоростей потока для быстрого действия и снижения скоростей потока для точного управления, таких как быстрого телескопического бум.Когда разгрузочный клапан схемы, показанный на рисунке 1, не имеет операционного сигнала, цепь всегда выводит большую скорость потока.Для нормальных открывающихся клапанов схема выведет небольшую скорость потока в нормальных условиях.Выгрузочный клапан для зондирования давления является наиболее распространенным решением.Как показано на рисунке 2, пружина действует, чтобы сделать разгружающий клапан в его высоком положении потока.Когда давление схемы достигает значения дорегулирования рельефного клапана, откладывается рельефный клапан, а разгружающий клапан переключается на его небольшое положение потока под гидравлическим давлением и действием.Цепь разгрузки давления в основном используется для гидравлических цилиндров, которые должны быть быстрыми во время хода и высокой давления и низкой скорости в конце хода.Основание разгрузки клапана, в основном, является автоматическим разгрузочным элементом, который достигает давления системы и обычно используется в диапазоне измерения приборов и гидравлических виз.Разгрузочный клапан в цепи разгрузки распределения также нажимается пружиной в направлении высокого потока.Фиксированный размер дроссельной заслонки в этом клапане определяется требуемой скоростью потока оптимальной скорости двигателя устройства.Если скорость двигателя превышает этот оптимальный диапазон, снижение давления с дроссельными отверстиями увеличится, тем самым перемещая разгрузочный клапан в положение небольшого потока.Следовательно, соседние компоненты большого проточного насоса превращаются в размер, который может загрязнять максимальный поток, поэтому цепь потребляет меньше энергии, плавную работу и низкую стоимость.Типичные применения таких петлей заключаются в ограничении потока цикла до оптимального диапазона для повышения производительности всей системы или ограничения давления петли во время высокоскоростного движения машины.Обычно используется в мусорных грузовиках и т. Д. Выгрузочный клапан схемы разгрузки давления также нажимается от пружины в положение высокого потока и будет выгружен независимо от того, достигается ли предопределенное давление или поток.Оборудование может завершить высоковольтную работу на холостом ходу или нормальной рабочей скорости.Эта функция уменьшает ненужный поток, тем самым уменьшая необходимую мощность.Поскольку этот вид цикла имеет широкий спектр изменений нагрузки и скорости, он часто используется в горнодобывающем оборудовании. На рисунке 5 представлена схема разгрузки давления с Power Extressed, которая состоит из двух наборов слегка измененных насосов разгрузки давления.Два набора насосов приводятся в действие одним и тем же первичным двигателем, и каждый насос получает сигнал разгрузки направляющего другого насоса разгрузки.Этот метод зондирования называется интерактивным зондированием, которое позволяет одному набору насосов работать при высоком давлении и еще один набор насосов для работы при высоком потоке.Два рельефных клапана могут быть отрегулированы на специальное давление каждой цепи, чтобы выгрузить один или два насоса.Это решение уменьшает потребность в мощности, поэтому можно использовать небольшую мощность, недорогой первоклассной двигатели. На рисунке 6 показан петля разгрузки нагрузки. Когда в контрольной камере (нижней камере) основного управляющего клапана нет сигнала измерения нагрузки, все потоки насоса сбрасываются обратно в бак масла через клапаны 1 и 2; Когда сигнал чувствительного нагрузки применяется к этому управляющему клапану, насос поставляет жидкость в цепь;Когда выходное давление насоса превышает заранее установленное значение давления клапана, чувствительного нагрузки, насос обеспечивает только рабочий поток к цепи, а избыточный поток обоходит обратно в бак масла через дроссельное положение клапана 2. По сравнению с насосами для плютников, насосы с передаточным маслом с элементами нагрузки имеют преимущества низкой затраты, сильной способности анти-топлива и низких требований к обслуживанию.Приоритетный контроль потока Независимо от скорости, рабочего давления или потока, необходимого для насоса для шестеренного масла, первичный клапан управления первичным потоком с фиксированной стоимостью всегда может обеспечить поток, необходимый для работы оборудования.В такой схеме, показанной на рисунке 7, выходной поток насоса должен быть больше или равен потоку, требуемому первичной цепи масла, а вторичный поток может использоваться в качестве другого или вернуться в бак масла.Первичный клапан первичного потока с фиксированной стоимостью (пропорциональный клапан) объединяет первичный контроль с гидравлическим насосом, устранение трубопроводов и устранение внешней утечки, что снижает затраты.Типичные применения таких цепей передач, как механизмы рулевого управления, обычно можно увидеть на автомобильных кранах, которые устраняют насос. Функция клапана управления потоком нагрузки очень похожа на функцию фиксированного значения Первичного контроля потока: то есть, первичный поток предоставляется независимо от скорости, рабочего давления или необходимого потока на закачи ветвления.Но только требуемый поток предоставляется для первичной цепи масла через первичный масляный порт до его максимальной регулировки.Этот цикл может заменить стандартный первичный цикл управления потоком, чтобы получить максимальный выходной поток.Поскольку давление разгруженного петля ниже, чем схема управления первичным потоком фиксированного значения, температура цепи повышается низкая, а выгруженное энергопотребление невелико.Клапан управления потоком потока нагрузки такой же, как и первичный клапан управления потоком, а его типичным применением является механизм рулевого управления.Управление обходом потока для контроля обхода потока, независимо от скорости или рабочего давления насоса, насос всегда поставляет жидкость в систему с заранее определенным максимальным значением, а избыток сбрасывается обратно в топливный бак или на вход насоса.Это решение ограничивает трафик в системе, чтобы обеспечить оптимальную производительность.Его преимущество заключается в том, что максимальный поток регулировки контролируется через размер петли и снижает стоимость; Насос и клапан объединены в один, а давление схемы сводится к минимуму посредством байпаса контроля насоса, тем самым уменьшая трубопровод и его утечку.Клапан управления обходом потока может быть спроектирован с помощью клапана управляющего нагрузки средней группы, который определяет диапазон рабочего потока (рабочая скорость).Этот тип цепи передачного насоса часто используется в мусорных грузовиках или цепях гидравлирования гидравлического маневра, чтобы позволить двигателю достичь оптимальной скорости, а также может использоваться в стационарном механическом оборудовании.Всасывающий клапан всасывающего масла сухого масла-это гидравлический клапан с контролем воздуха, контролируемый воздухом, который используется для дроссельной заслонки входа масла насоса. Когда гидравлическое давление оборудования больше не загружается, только очень небольшая скорость потока (<18,9t/min) проходит через насос; И когда есть нагрузка, полная скорость потока всасывается в насос.Как показано на рисунке 10, такая схема может устранить сцепление между насосом и первичным двигателем, тем самым снижая стоимость и снижая энергопотребление без нагрузки, поскольку чрезвычайно небольшой поток через цепь поддерживает мощность первичного двигателя устройства.Кроме того, шум насоса во время без нагрузки также уменьшается.Схемы всасывающего клапана в сухой масле можно использовать в любом транспортном средстве, приводимом в питание двигателей внутреннего сгорания, такими как грузовики для погрузки мусора и промышленное оборудование.Выбор раствора гидравлического насоса В настоящее время рабочее давление насоса для зубчатого шестерня находится близко к давлению насоса плунжера, а комбинированное раствор нагрузки дает переменные возможности для передачного насоса, что означает, что первоначально прозрачное изменение границы между насосом передач и насосом плунжера становится все более размытым.Одним из решающих факторов рационального выбора раствора гидравлического насоса является стоимость всей системы. По сравнению с дорогостоящим насосом плунжера, передаточные насосы стали практическим и возможным выбором для многих приложений из -за их низкой стоимости, простой цепь и низких требований к фильтрации.
Технические характеристики двигателя зубчатого насоса
G5, GPC4 Series Gear Pumps, GM5 и GMC4 Gear Motors были введены в виагру Соединенных Штатов (VKS). Технические функции выдающиеся: 1. Компактная структура, небольшой размер и легкий вес. Он состоит из передней крышки алюминиевого сплава, промежуточной, задней крышки, шестерни из сплавной стали и давления из алюминиевого сплава. Два подшипника DU нажаты в передней и задней крышке. Материал DU является идеальным материалом для подшипников для насосов для передач, который может значительно улучшить срок службы зубчатых насосов. 2. Надежная работа.Пластина под давлением является основным компонентом компенсации радиального и осевого давления, которая может уменьшить нагрузку подшипника и автоматически регулировать осевой зазор передаточного насоса, тем самым эффективно улучшая индикаторы производительности и рабочую надежность передаточного насоса; Двигательные двигатели серии GM5 и GPC4 могут обеспечить четыре конструкционных типа: одноразовое без переднего подшипника, двойное вращение без переднего подшипника и одноразового ротации с передним подшипником и двойное обтекание с передним подшипником, среди которых двигатель с передним подшипником может противостоять радиальным и осевым силам.3. Высокая скорость и высокое давление. Скорость составляет 3000 ~ 4000 об / мин, а теоретический крутящий момент составляет 17 н.м. (Newton.m) ~ 64N.M, который может достигать 20-25 МПа. 4. Метод подключения подходит для импортированного машин и технического машин.Установочный фланец GB, удлинитель вала, нефтяной впускной и нефтяной выпускной тип в соответствии с стандартами SAE и национальными стандартами.Широко применимо к автомобилям, тракторам, строительным механизмам, сельскохозяйственным механизмам и другим механическим гидравлическим системам.
Недостаточные причины для выходного потока насосов для передач
1. Причина: ① Зазор между зубами внутренних и внешних роторов слишком велик, что делает поглощающую давление нефтяные камеры.Объемная эффективность значительно снижается, а выходной поток недостаточен; ② Осевой разрыв большой; ③ Поверхность сустава нефтяной всасывающей трубопровода не плотно запечатана, что заставляет насос всасывает воздух и уменьшает эффективный поток всасывания; ④ Масло всасывание не гладкое.Если вязкость масла слишком высока, масляный фильтр блокируется грязью и т. Д., Всасывающий поток уменьшается; ⑤ Клапан переполнения застрял в положении полуоткрытия, а часть потока от насоса возвращается в бак масла через переполненный клапан, что приводит к недостаточному потоку в систему.В настоящее время давление системы недоступно.2. Метод исключения ① Замените внутренние и внешние роторы, чтобы зубной зазор находился в пределах указанного диапазона (как правило, менее 0,07 мм); ② Расчитывайте обе конечные поверхности корпуса насоса, чтобы гарантировать, что осевой зазор между внутренними и внешними роторами находится в диапазоне 0,02 ~ 0,05 мм после сборки; ③ Замените поврежденное уплотнение всасывающей трубы масла, повязкой резьбовой части трубного соединения политетрафторуэтилентным ремнем, а затем затяните трубопровод; ④ Выберите масло с соответствующей вязкостью и очистите впускной фильтр масла, чтобы сделать всасывание масла гладким. И увеличить диаметр масляной всасывающей трубы по мере необходимости;⑤ Установите переполненный клапан, чтобы устранить явление о том, что эффективная скорость потока насоса уменьшается за счет короткого соединения между масляным баком в рельефном клапане.






