Четырехвальный коммутатор обнаружения оборота Оборот беспроводного сигнала.

Вес товара: ~0.7 кг. Указан усредненный вес, который может отличаться от фактического. Не включен в цену, оплачивается при получении.
Описание товара
- Информация о товаре
- Фотографии
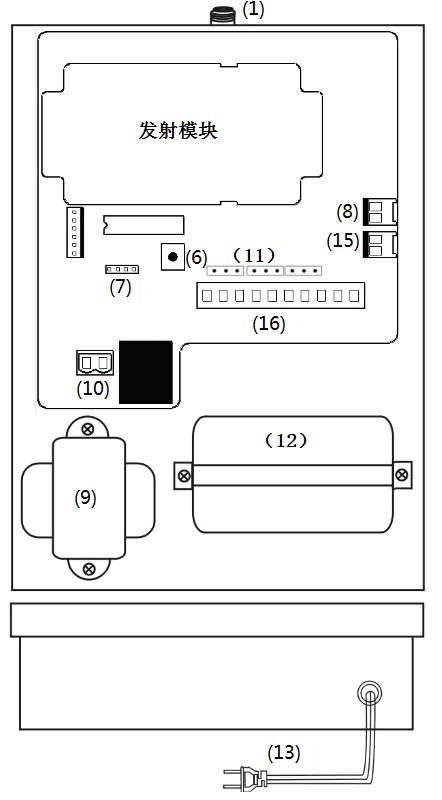
Руководство по инструкции по расширению тревоги в помещении 1. Введение функции: &Middot;Детектор, активно стрелять инфракрасными детекторами, магнитные переключатели управления, плотныеДетекторы кабелей, такие как срочные кнопки для образования проводной проводки— &Middot; &Middot; &Миддот;1000~8000рис. 2. Имя компонента Антенна ⑵Ходовые огни ⑶Отправить индикатор МрачныйИндикатор защиты ткани МрачныйЗамок МрачныйКодовая кнопка МрачныйВнешние полицейские порции выбора времени выхода 开 Встроен -в выключателе аккумулятора постоянного тока МрачныйOn -site Siren МрачныйВыберите булавки резистора спереди -энд детектора (R-KПолем МрачныйВстроенный -в аккумуляторе постоянного тока (необязательно) МрачныйЛиния входной мощности переменного тока МрачныйРазвязка (16) Описание порта: N0.1 N0.2 N0.3 N0.4 Связь электричество Помешать электричество Помешать электричество Помешать Вешать трубку нулевой - + Соглашение Соглашение Соглашение Часто открывается 12Vисточник питания

МрачныйТрансформатор
3. Технические индикаторы:
&Миддот;≥1000~8000рис.
&Middot;НадВнешний проводной детектор:≤200mA
⑵Отправить статус тревоги:≤800mA.
&Средняя часть;30°C ~ +50°C
Влажность:≤85%.
4. Как использовать:
НадВ соответствии с условиями внешнего детектора, выберитеR–KШтифт (Диаграмма(11))S позиция,RПодключите метод сопротивления передней стороны для линии сигнала,
KДля метода постоянного закрытия линии сигнала используйте линию сигнала для подключения метода подключения сопротивления передней стороныRВ то же время, когда линия сигнала находится в короткой связке и отключении, расширение позвонит в полицию.
⑵Линия сигнала и шнур питания проводного детектора связаны с соответствующим границей расширения (как показано на рисунке (как показано в16) Показать), обращать внимание на шнур питания не может быть коротким, в противном случае расширение не может работать нормально, так что расширение повреждено.
⑶Операция кодирования расширения и хост - это когда хост установлен в состоянии кодирования (см. Инструкции по операции кодирования каждого хоста).Мрачный), Портальная тревога, хост издал шум, и кодирование было успешным.
МрачныйПоместите расширение в нужном месте, установите антенну и вставьте источник питания в городской питание.1минута2минута4Минут (значокМрачныйК.
МрачныйРабочий индикатор расширения сияет, а расширение входит в состояние бега.Подключенный детектор входит в состояние мониторинга.Когда кто -то вторгся в область мониторинга детектора, расширение отправило индикаторный свет и отправил на хост сигнал тревоги.После получения сигнала хост издает тревогу и отображает номер адреса расширения.(ДиаграммаМрачный), Выводит напряжение в установленное время.
МрачныйРасширение запуска использует циклический запуск для работы, запуск2Во -вторых, прерывисто3Во -вторых, снова запуск2В секундах, чтобы не влиять на передачу мощности, сирена приостановлена во время запуска.1минута2минута4Запустить) периодически передается до тех пор, пока порт проводки датчика не будет восстановлен до нормального.
МрачныйРасширение подключаемого соединенияNO.1,NO.2,NO.3,NO.4, Код хоста отображается как как1,2,3,4Сущность
5. Меры предосторожности:
1.Соединение между расширением запуска и проводным детектором должно быть правильным, фирменным и DC12VВыходная мощность не может быть короткой связью и обращена вспять.
2.Место, где установлено расширение запуска, представляет собой железобетонные здания с высоким содержанием, металлические конструкции и подвал. На открытом воздухе или используйте наружные антенны (купите еще один кусок. to.
3.Когда появляется прерывистый сигнал тревоги пропускания, может возникнуть ошибка, что подключенный детектор: например, сигнальная линия отключена, короткая цирка, а активный инфракрасный детектор не имеет никакого сбоя, или сам детектор не выполнил нормальную работу Полем
4.Диапазон колебаний напряжения мощности не должен превышать требования предписанных требований, чтобы обеспечить нормальную работу системы и безопасность машины системы.
5.Регулярно проверяйте, является ли внутренняя запасная батарея постоянного тока нормальным, чтобы избежать эффекта тревоги во время отключений электроэнергии и вызвать потери.
6.Регулярные обычные тесты проводятся вовремя, а разломы исключаются вовремя, так как не в тревоге.
электричествомозгМониторконтрольПроходитьиспользоватьОтчетполицияустройство
(руководство)

один,достижениеМожет представить:
&MidDot;
&Миддот;1-30Время распространять дорогу, контроль отмены и полную ткань и защиту.
&Middot;
&Middot;
&Middot;
&Middot;
2. Технические показатели:
&Middot;
&MidDot;
&Миддот;≥600рис
Открытая антенна≥5000рис.
&Middot;12VТекущий≤300MAВыключатель≤10A
&Middot; время ответа: <1Второй.
&Middot; Alarm Audio: Говорите звук>80dBСущность
&Middot; получение канала:99дорога1 ~30Дорога с выводом дороги,31~99Дорога - вся защита от ткани.
&Middot;
Ввод переменного тока:180V~ 240V
Вход DC:12V~ 15V,
Самостоятельная конфигурация:700MAHВстроенная батарея
&Middot; условия: температура: -30°C ~ +50°C
Влажность:≤85%Сущность
три,Наименование:
(1)Дата/Установите окно отображения
(2)Адрес тревоги/Установите окно отображения
(3)Ходовые огни
(4)антенна
(5)Электрический стандарт
(6)Индикатор объема
(7)Эксплуатационная клавиатура
(8)Смешанный указатель адреса
(9)выключатель
(10)Линия входной мощности переменного тока
(11ПолемВыключатель
(12ПолемВыбор проскальзывания голосов
(13ПолемВнешнее DC - это сиденье для резки источника
(14Полемсиренатруба
(15ПолемВстроенный в ящик для аккумулятора

Панель хоста тревоги

Тревога Хост Бэк Бэк

Нижняя пластина
В -четвертых, операция Описание:
в соответствии с&LDQUO&Rdquo;
Функция запроса информации F0 -ALARM
Функция F1 -School Time Function
Функция функции F2 -Faber
Функция F3 -Enchoding
Нажмите клавишу подтверждения при отображении функции, то есть операции ввода функции.
МрачныйОперация по запросу информации о сигнализации:
Двигаться&LDQUO&Rdquo;“F0&rdquo“ подтвердить” ключевой дисплей
Последняя информация о тревоге, нажмите, чтобы перенести“ o”Клавиша, запросите информацию о тревоге в обратном направлении, нажмите, чтобы переместить“ o”
Ключ, запросите информацию о сигнализации180Нажмите информацию о тревоге, нажмите“ сброс”Ключевой выход“F0” функция.
МрачныйШкола -до -временной функции операции:
Двигаться&LDQUO&Rdquo;“F1” press“ подтвердить” ключ
Введите статус калибровки даты и времени, введите количество ежемесячных, дневных, времени и дивидендов, которые скорректируются, - отображается правильное количество ввода месяца, дня, времени и подразделения“ подтвердить&Rdquo;
Мрачный 01~30Дорожная ткань, операция по настройке восстановления:
Нативная машина01~30Пользователи дорожного движения могут произвольно настраивать, снимать или снимать среду в соответствии с потребностями защиты ткани и снятия средств.24Часы синхронизации защиты и контроля отмены.
Над01~30Дорога Полно -дневная защита:
Двигаться&LDQUO&Rdquo;“F2” press“ подтвердить”Второстепенное время“ o&Rdquo;“RL” press“ подтвердить” клавиша, нажмите“ o”Ключ, ежемесячный дисплей окна“ON” press“ подтвердить”.Адрес ткани01~30Индикатор дороги включен, введите полную защиту,(Установить на фабрике, когда эта машина оставлена на фабрике1~30Дорога полная защита)Сущностьв соответствии с“ сброс” выход.
⑵01~30Дорога Полная ежедневная профилактика:
Двигаться&LDQUO&Rdquo;“F2” press“ подтвердить”“ o”Ключ, дисплей временного окна“OFF” press“ подтвердить”“ o”Ключ, ежемесячный дисплей окна“RL” press“ подтвердить&Rdquo;Адрес ткани01~30Индикатор дороги потушен, и весь день втянут.в соответствии с“ сброс&Rdquo; ключевой выход.
⑶XДорога полная защита(к08Дорожные примеры, такие же операции других дорог):
в соответствии с&LDQUO&Rdquo;“F2” press“ подтвердить”“0”“8”“ 08” press“ подтвердить&Rdquo; ключ,
в соответствии с“ o”Ключ, ежемесячный дисплей окна“ON&rdquo“ подтвердить&Rdquo;8Яркий,8Дорога вступает в полную защиту и входит в полную защиту следующего адреса тревоги.…&Hellip;, настройте, нажмите“ сброс&Rdquo; ключевой выход.
МрачныйXДорога полная ежедневная профилактика(к08Дорога является примером, те же операции других дорог одинаковы):
в соответствии с&LDQUO&Rdquo;“F2” press“ подтвердить”“0”“8”“08&rdquo“ подтвердить” клавиша, нажмите“ o”
Ключ, ежемесячный дисплей окна“OFF” press“ подтвердить&Rdquo;8Снаружи,8Дорога вступает в полное отступление, введите операцию следующего адреса тревоги.…&Hellip;, настройте, нажмите“ сброс&Rdquo; ключевой выход.
Мрачный0~30дорога24Теленка -Время защита/Отмена
в соответствии с&LDQUO&Rdquo;“F2” press“ подтвердить”“ o&Rdquo;“RL” press“ подтвердить&Rdquo;(Отображение в ежемесячном окне)И время отступления(Отображать из временного окна)Номерные клавиши,(Как показано ниже:18:00Защита капитала,08:00Увольнять),в соответствии с“ подтвердить”ключ,1~30Дорога находится в состоянии времени -ориентированной на защиту и отмены, и хост автоматически установит ткань времени в соответствии с установленной установленной временем защиты и отмены./Крышка.

МрачныйXдорога24Теленка -Время защита/Отмена(к08Образец дороги: другие операции одинаковы)в соответствии с&LDQUO&Rdquo;“F2” press“ подтвердить”“0”“8”“08&rdquo“ подтвердить”Время защиты(Отображение в ежемесячном окне)И время отступления(Отображать из временного окна)Номерные клавиши,(Например18:00Защита капитала,08:00Увольнять),в соответствии с“ подтвердить” ключ,08Дорога находится в состоянии времени, ориентированной на время и вывода, и хост автоматически выйдет на установленное время защиты и снятия в соответствии с установленным временем вывода.Время, чтобы определить.
⒋ Операция функции кода:
в соответствии с&LDQUO”“F3&rdquo“ подтвердить” ключ,
Введите адрес адреса, который вы хотите кодировать(01~99дорога)Отображать со времени, окно, нажмите“ подтвердить”Ключ, введите требуемый код адреса кодирования(01~99дорога)в соответствии с“ подтвердить&Rdquo;“ON&Rdquo;
5.Объем работыНажмите кнопку громкости, индикатор громкости, единственный свет, двойной свет, погашение, укажите, что объем невелик,
Большой, закрыт.
5. Как использовать:
天 Аварийный сигнал установлен на антенне и подтягивается все, и мощность подключена к мощности.
布 Установите функции ткани и снятия различных дорог.
(3) Регистрация кода с каждым расширением и зондом.
声 Выберите правильную тревогу и том.
, Когда тревога тревоги, соответствующая переписка1-30Лампа дороги будет мигать.
Огни ткани длинные и светлые, а огни погашают, когда защита удаляется.
После получения тревоги нажмите клавишу сброса, чтобы восстановить статус мониторинга.
Используйте функцию запроса, чтобы запросить информацию о сигнализации.
6. Меры предосторожности
1.Если дежурная комната принимающего хоста представляет собой металлическую конструкцию и здание стальной цементной конструкции, установите приемник в расположении окна или наружной антенны (приобретенной), чтобы увеличить интенсивность приемного сигнала и обеспечить расстояние тревоги.
2.Диапазон колебаний напряжения питания не должен превышать требования предписанных требований, так что работа по сигнализации и безопасность оборудования и безопасность оборудования.
3.Проверьте, регулярно ли источник питания out -fower регулярно, чтобы избежать эффекта тревоги при отключении питания.
4.Регулярные обычные тесты проводятся вовремя, и разломы обнаруживаются вовремя, чтобы избежать тревоги из -за украденной ситуации и вызвать потери.