- Таобао
- Оборудование / Инструменты
- Электроинструменты
- Бензопила
- 528522826673
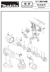
Кривая импорта Makita пила 4300bv Оригинальные запасные части

Цена: 2 113руб. (¥100)
Артикул: 528522826673
Вес товара: ~0.7 кг. Указан усредненный вес, который может отличаться от фактического. Не включен в цену, оплачивается при получении.
Описание товараPHA+0JrRgNC40LLQsNGPINC40LzQv9C+0YDRgtCwIE1ha2l0YSDQv9C40LvQsCA0MzAwYnYg0J7RgNC40LPQuNC90LDQu9GM0L3Ri9C1INC30LDQv9Cw0YHQvdGL0LUg0YfQsNGB0YLQuDwvcD4=
Продавец:牧田专业电动工具店
Рейтинг:

Всего отзывов:0
Положительных:0
Добавить в корзину
- Информация о товаре
- Фотографии
Кривая импорта Makita пила 4300bv Оригинальные запасные части





