Модуль WIFI RT5350, беспроводная точка доступа 150M

Вес товара: ~0.7 кг. Указан усредненный вес, который может отличаться от фактического. Не включен в цену, оплачивается при получении.
Описание товара
- Информация о товаре
- Фотографии
【Luopu Electron
Контакт: 13549498031   и большие количества, чтобы договориться о цене
Настройка ODM различных моделей беспроводных модулей.Большие преференциальные цены, основа заказа, могут участвовать в проектировании и технической поддержке.СущностьГлавный инженер имеет 10 лет специальных исследований и разработок в области беспроводного Wi -Fi.СущностьС нетерпением ждем Wi -Fi Wi -Fi, область мониторинга, интеллектуальной мебели, беспроводной печати и клиентов Serial Porting WiFi для создания новой эры беспроводной мобильной сети вместе.
Dongguan Wireless Wi -Fi модуль   Shenzhen Wireless Wi -Fi модуль   Guangdong Wireless Wi -Fi модуль
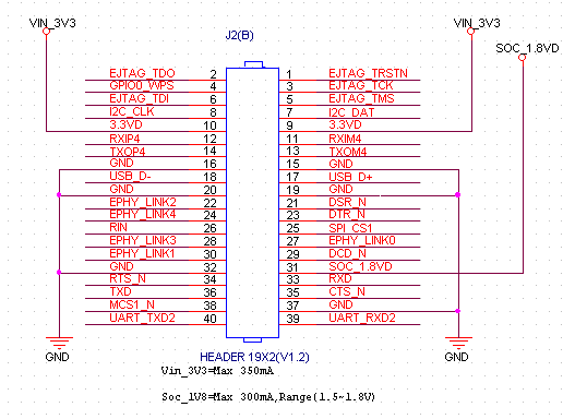
3. Определение интерфейса

С полным набором беспроводных маршрутизаторов:
- Поддержка AP (точка беспроводного доступа), клиент (беспроводной клиент), ретранслятор (беспроводная эстафета), мост
- APмодель—— Рабочий режим по умолчанию.В этом режиме устройство представляет собой беспроводную точку доступа, которая поддерживает подключение и воспроизведение без конфигурации.
- Routerмодель—— в этом режиме устройство эквивалентно беспроводному маршрутизатору. Проводные интерфейсы - WAN, а беспроводные - локальные.Несколько беспроводных клиентов могут поделиться широкополосной линией для доступа к Интернету.
- Repeaterмодель——Функция беспроводной реле устройства используется для достижения реле и увеличения беспроводного сигнала, а также для формирования новой области беспроводного покрытия и в конечном итоге достичь цели расширения охвата беспроводной сети.
- Bridgeмодель—— используя функцию моста устройства, мы сначала устанавливаем беспроводное соединение с беспроводной сетью спереди, а затем отправляем сам беспроводной сигнал, чтобы сформировать новое беспроводное покрытие, которое может эффективно решить проблему беспроводного покрытия, такой как слабый сигнал и сигнальные слепые пятна.
- Clientмодель——AP, работающий в этом режиме, является беспроводным клиентом для основной точки доступа, которая эквивалентна беспроводной сетевой картах.
Профиль компании
Dongguan Luopu Electronic Technology Co., Ltd. была создана в марте 2014 года. С момента своего создания он придерживался“ инновации, единство, агрессивное, истина -поиск” корпоративный дух и“ создать ценность для клиентов и расти вместе с сотрудниками&Rdquo; концепция корпоративного развития, постепенно расти, взрослеть и расти.
Основной дизайн, производство, продажи беспроводных модулей Wi -Fi, продуктов беспроводной сети. и качество производства, отличная производительность и полностью соответствовать затратам, эффективным электронным продуктам потребностей клиентов.
Добро пожаловать друзьям во всех аспектах беспроводной сетевой общения и друзей, которые должны получить продукты безопасности, чтобы связаться с нами, чтобы помочь вашим продуктам и карьере перейти на следующий уровень. Мы придерживаемся принципа целостности и взаимной выгоды, и и С нетерпением жду возможности сотрудничать с партнерами по всему миру.
Ответственность LP: создайте ценность для клиентов, создайте платформу для успеха для сотрудников и внесет должные взносы в общество.
Философия бизнеса LP: мы сохраняем&Ldquo; честность и справедливое сотрудничество, операция взаимной выгоды”.
Культура LP: делайте ценные вещи и живут значимой жизнью.


