- Таобао
- Техника
- Электроника
- Прочие электронные компоненты
- Двигатели СК
- 573062198153
Оригинальный подлинный патч TC118S SOP-8 Одноканальный чип двигателя DC Motor

Цена: 4руб. (¥0.17)
Артикул: 573062198153
Доставка по Китаю (НЕ включена в цену):
43 руб. (¥2)
Вес товара: ~0.7 кг. Указан усредненный вес, который может отличаться от фактического. Не включен в цену, оплачивается при получении.
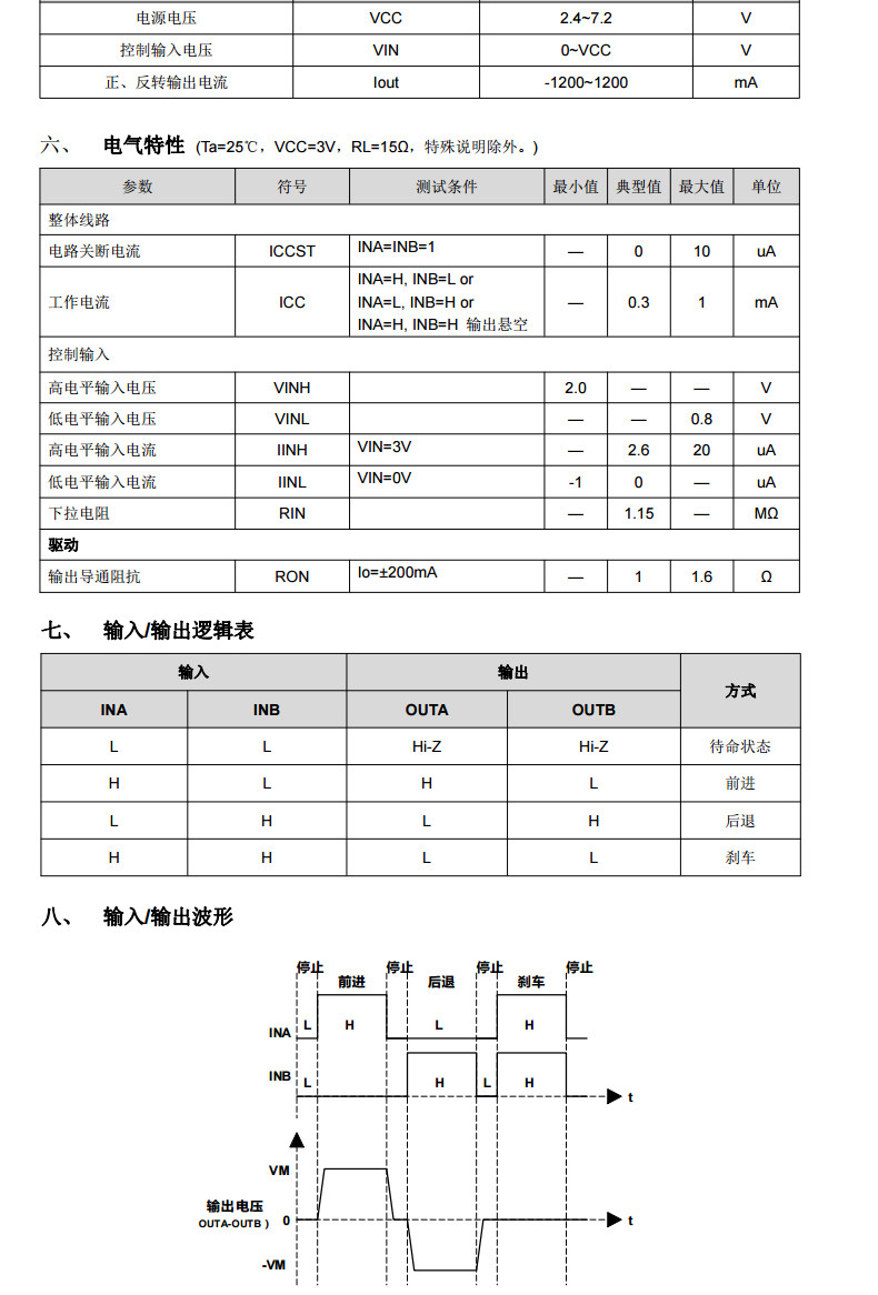
Описание товараPGRpdj48aW1nIHNyYz0iaHR0cHM6Ly9pbWcuYWxpY2RuLmNvbS9pbWdleHRyYS9pMi8yNjU4NTkyMDE1L08xQ04wMTV4ZzB5SDFRa3VtVmxKOWZ2XyEhMjY1ODU5MjAxNS5qcGciPjwvZGl2PjxkaXY+PGltZyBzcmM9Imh0dHBzOi8vaW1nLmFsaWNkbi5jb20vaW1nZXh0cmEvaTIvMjY1ODU5MjAxNS9PMUNOMDFLaVpWQVcxUWt1bVVBV1RrYl8hITI2NTg1OTIwMTUuanBnIj48L2Rpdj48ZGl2PjxpbWcgc3JjPSJodHRwczovL2ltZy5hbGljZG4uY29tL2ltZ2V4dHJhL2kxLzI2NTg1OTIwMTUvTzFDTjAxOHhndVc3MVFrdW1WbEtwY2RfISEyNjU4NTkyMDE1LmpwZyI+PC9kaXY+
Продавец:深圳市友鑫电子科技有限公司
Рейтинг:

Всего отзывов:0
Положительных:0
Добавить в корзину
- Информация о товаре
- Фотографии










