12232ZB ЖК -ЖК -модуль 12232 точка боевого экрана и/серийный порт 122x32 промышленный экран

Вес товара: ~0.7 кг. Указан усредненный вес, который может отличаться от фактического. Не включен в цену, оплачивается при получении.
Описание товара
- Параллельный порт
- Последовательный порт
- ⒊3V
- 5V
- Информация о товаре
- Фотографии
| Рабочее напряжение: | 5V, ⒊3V |
| Тип интерфейса: | Параллельный порт, Последовательный порт |
| Показать эффект: | Синий белый характер, Желто-зеленые низкие черные символы, Серый черный |



1. Характеристики продукта
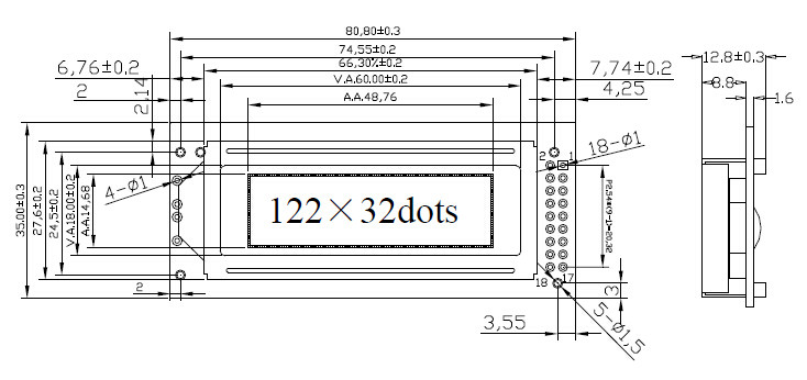
- Модель: YB12232-ZB
- Точка матрица: 122x32
- Габаритные размеры: 80,8Х35,0Х12,8
- Размер в области просмотра: 60.0x18.0
- Контроллер: ST7920
- Рабочее напряжение: 5,0 В или 3,3 В
- Категория продукта: СТН
- Цвет продукта: синяя пленка, желто-зеленый экран, серая плесень по желанию.
- Направление просмотра: 6H
- Рабочая температура: -20℃~70℃
- Температура хранения: -30℃~80℃
ST7920 Series Special SpecialСледующее:
Предоставьте 8 -бит, 4 -битный параллельный интерфейс и последовательный интерфейс
Дополнительный параллельный интерфейс адаптироваться к времени M6800
Функция автоматического сброса запуска питания
Внутренние колеблющиеся источники
64×16 -битные символы отображают ОЗУ (DDRAM до 16 символов×4 строки, Диапазон ЖК-дисплея 16×2 строки)
2M битное ПЗУ китайского шрифта (CGROM), Всего 8192 китайских шрифта (16×16 очков)
ПЗУ шрифтов половинной ширины 16 КБ (HCGROM), Всего 126 испанских шрифтов (16×8 часов)
64×16 -битные символы генерируют ОЗУ (CGRAM) 15×16-битная ICON RAM (ICONRAM) с общим числом 240 точек
Характеристики программного обеспечения для продуктов серии ST7920 являются следующими:
Текстовая и графическая гибридная функция отображения Функция очистки экрана Функция возврата курсора
Показать функцию открытия/закрытия Дисплей курсора/скрытая функция Отображать функцию Font Flash
Функция смены классов функция Отображать функцию сдвига Функция вертикального экрана
Функция анти -белостной отображения Спящий режим
Китайский выбор шрифта:
ST7920-0A встроенный код BIG-5 Традиционная библиотека китайских персонажей
ST7920-0B встроенный код GB упрощенная библиотека китайских персонажей
Во -вторых, размер формы

3. Определение интерфейса
















