SLD3235VF 250 МВт 405 нм лазер

Вес товара: ~0.7 кг. Указан усредненный вес, который может отличаться от фактического. Не включен в цену, оплачивается при получении.
Описание товара
- Информация о товаре
- Фотографии
SLD3235VF 250 МВт 405 нм лазер
Это очень редкий мощный лазерный диод, который лично опробовал и порекомендовал владелец магазина. Это также мощный сине-фиолетовый диод 6X, который в настоящее время выпускает SONY. Особенно в Китае, поскольку эту новинку нельзя купить напрямую из-за границы, почти все каналы закупок закрыты. Конечно, не исключено, что некоторые каналы можно купить новенькие, но цена смехотворно высока, что теряет смысл покупки. Этот у нас в магазине не новенький, но точно да, снят с новенького магнитолы. Качество и характеристики такие же, как у новых, за исключением того, что штифты окунаются в олово. Если вы покупатель, который ищет совершенно новые и идеальные товары, будьте осторожны при покупке!
Детское описание:
Продукт не новый, а три булавки пропитаны оловом
Название продукта;
Происхождение: Япония
Максимальная выходная мощность: 250 мВт
Работа текущий: менее 250 мА
Рабочее напряжение: 5 В
Форма упаковки: T018 (5,6 мм)
Трудовая жизнь: более 10000 часов
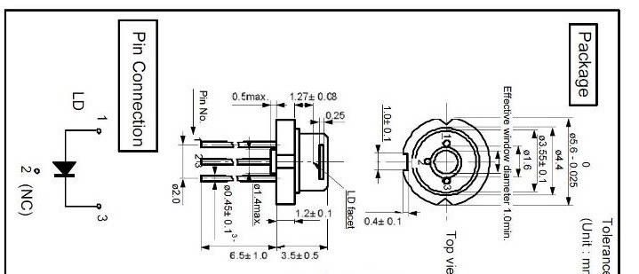
Подробнее о размере продукта см. Рисунок ниже:

Меры предосторожности:
Этот компонент чувствителен к статическому электричеству.Пожалуйста, не прикасайтесь руками к корпусу лазерной трубки, не приняв антистатические меры. Кроме того, для правильной работы этот продукт должен иметь квалифицированную схему привода. Напряжение разных мощностей одинаковое, но рабочий ток разный. Ток возбуждения цепи трубки необходимо контролировать в безопасном диапазоне, в противном случае это повлияет на срок службы.В нашем магазине имеется собственная разработка схемы повышения постоянного тока с функциями плавного пуска и защиты от обратного подключения. Друзья, нуждающиеся в помощи, могут напрямую связаться с владельцем магазина.
Послепродажное обслуживание:
Пожалуйста, внимательно прочитайте правила. Сфотографировав товар, вы подтверждаете свое согласие с правилами. Если вы не согласны, пожалуйста, нестрелятьНаш продукт. Спасибо
1.1 Лазер вреден для глаз. Не освещайте глаза. Красный свет с силой более 30 МВт, не освещайте человеческое тело, помните! (Если вам нужно защитить глаза, вы можете носить лазерные защитные зеркала)
1.2 Пожалуйста, держите этот продукт вдали от детей, чтобы дети не использовали неправильное использование.Лучше всего удалить аккумулятор и сохранить ее снова, когда она не используется, так что даже если ребенок выставлен, его нельзя использовать, потому что нет батареи.
1.3 Те, кто его покупают, используйте его надлежащим образом. Если все последствия вызваны неправильным использованием, покупатель несет ответственность.
2.1 Лазерный диод - это специальный электронный продукт. Он очень хрупкий и прост в использовании и наносит ущерб.
2.2 Причины повреждения лазерного диода: Поскольку оборудование не является антистатическим, оно не оснащено антистатическими перчатками. Положение твердых денег не имеет источника.
Чрезмерное использование напряжения, слишком высокого тока, лазерный диод горячий и быстрый, и нет узелки на тепло.
2.3 Продажи лазерного диода не пользуются национальными тремя пакетами услуг и не платят ни за какую причину, чтобы вернуться.
3.1 Когда прибывает экспресс -доставка, обязательно откройте ее лично, чтобы увидеть, является ли внутренняя упаковка завершена, то же число точнее,
После подтверждения, вы можете подписать его. Если ущерб поврежден, переменная напряжения не находится в очереди, пожалуйста, немедленно свяжитесь с владельцем.
3.2 Купить
Примечание. Лазерные диоды легко повредить продукты. Обратите внимание, что защитное статическое электричество является наиболее важным.



