Ультра -сильный отрицательный ионный кислород, многопрофильный пакет с высоким содержанием высокого давления

Вес товара: ~0.7 кг. Указан усредненный вес, который может отличаться от фактического. Не включен в цену, оплачивается при получении.
Описание товара
- Информация о товаре
- Фотографии
Из -за особого характера продукта он может быть сделан только в соответствии с информацией о параметрах или физических образцах, которые вы предоставляете. Чтобы убедиться, что это сделано для вас как можно скорее, свяжитесь с нами первыми.
Из пяти, чтобы принять настройку, вы можете сфотографироваться напрямую и не отправлять ее или отправить случайным образом. Нет гарантии параметров, и возврат не будет принята.
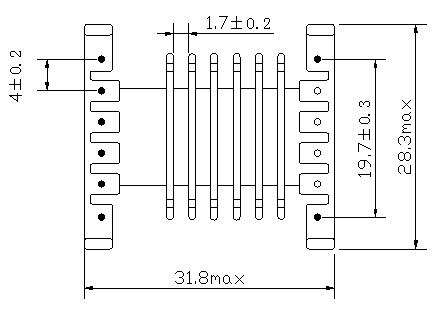
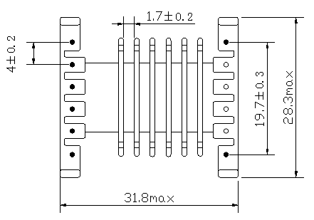
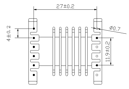
Скелетная диаграмма





(1) Вход: напряжение постоянного тока (T1+) Регулируемый диапазон22Vприезжать24V, рекомендуется24V
(2) Изоляция: выходное напряжение не превышает, когда нет нагрузки8.5KV, внутри трансформатора нет зажигания, и внутри высоковольтного пакетного схема нет зажигания.
(3) Загрузка:2M 30WСопротивление, выходное напряжение6KV~7KV, Температура окружающей среды30Копирование машины8Часы, температура оболочки сумки высокого давления не должна превышать90Тратить.








