4E1 Light -End Machine 4E1 4 Ethernet SDH Light Cancer Machine SDH155TM

Вес товара: ~0.7 кг. Указан усредненный вес, который может отличаться от фактического. Не включен в цену, оплачивается при получении.
Описание товара
- Информация о товаре
- Фотографии
1. Описание продукта
GTSDH155TM/ADMЭто может быть использовано только для использования терминала.ITU-TизSDHСтандартный доходSTM-1В структуре кадра и электрическом/Свет преобразуетSTM-1Световые сигналы и вышеупомянутый обратный процесс.Используется для указания или структуры связи.
2. Характеристики продукта
Ø на основеSDHПлатформа доступа к многообразованию для технологий,155Mbit/sУровень уровня;
Ø TMпоставлять1дорогаSTM-1Световой интерфейс,ADMпоставлять2дорогаSTM-1Световой интерфейс;
Ø поставлятьE1,10/100Base-Tx,V.35Бизнес -интерфейс;
Ø поставлять1дорога64Kиз232Канал данных;
Ø поставлятьE1,V.35Функция обмена временными интервалами канала;
Ø ЭфирGFP,VCAT,LCAS, Перенести максимальную полосу пропускания100MПредметы
Ø 19дюйм×1UКомпактная структура;
Ø источник питания-48V DCи220V ACНеобязательный;
Ø поддерживатьCONSOLEМетод мониторинга, поддержка черезGTSDH-MSAPУдаленное управление;
Ø поставлятьITU-TПредлагаемая конфигурация, тревога, производительность, обслуживание, безопасность и другие функции управления сетью;
Ø Обеспечить удаленную загрузку программного обеспечения для оборудования с помощью программного динамического обновления, простых в обслуживании;
Ø Поддержка встроена -инBERTФункция, гибкий тестE1,V.35Производительность канала;
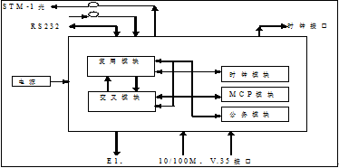
В -третьих, схема принципа работы системы

Отдельные платы заполняют свет, электрический подключение, обработка часов, сбор сигналов тревоги, коллекция производительности,ECCКоммуникация, обработка интерфейса, бизнес -обработка и другие функции.В основном из светового модуля,E1Модуль, часовой модуль,MCPМодуль, официальный модуль, Ethernet иV.35Устранение модуля данных.
В -четвертых, сетевые методы и типичные приложения
1. Точка -точечная сеть сети
Точка -точка сети с двух станцийGSDH155TMСостав оборудования.

2. Сеть сети сети
Связь между ссылкойTMНесколько оборудования и серединыADMСостав систем реле.
