BT06 Bluetooth-последовательный модуль модуль беспроводной передачи 51 Микросовместимость однохин-хиппа HC-06 DIY

Вес товара: ~0.7 кг. Указан усредненный вес, который может отличаться от фактического. Не включен в цену, оплачивается при получении.
Описание товара
- Информация о товаре
- Фотографии
Полное сокращение ![]() | Дата деятельности: 2018-09-23 12: 15-2018-10-31 00:00Бесплатная доставка заказов
|

Запустите новые продукты: BT06 Bluetooth Serial Port Module, Hot Promotion!BT06Модуль Bluetooth создан специально для интеллектуальной беспроводной передачи данных, после v3.0  спецификация Bluetooth.
  этот модуль поддерживаетUARTИнтерфейс и поддерживает последовательный протокол Bluetooth SPP, имеет преимущества низкого затрат, небольшого объема, низкого энергопотребления и высокой чувствительности приема и получения. Он должен быть только оснащен небольшим периферическим компонентом для достижения своих мощных функций.
1..Характеристика:
Bluetooth v3.0+edr
BluetoothClass 2
ВстроенныйPCBРадиочастотная антенна
поддерживатьUARTинтерфейс
3.3Vисточник питания
2..Поле приложения:
Этот модуль в основном используется в области беспроводной передачи данных при коротких данных.Может быть удобнымPCПодключено устройство Bluetooth машины, и могут быть подключены данные между двумя модулями.Избегайте утомительных кабельных соединений, которые могут напрямую заменить последовательные линии.
※ Bluetooth беспроводная передача данных;
※  промышленный пульт дистанционного управления, телеметрия;
※ POSСистема, беспроводная клавиатура, мышь;
※  трафик,Под положением скважины и тревоги;
※  автоматизированная система сбора данных;
※  беспроводная передача данных; банковская система;
※  Сбор беспроводных данных;
※  Автоматизация здания, безопасность, беспроводной мониторинг, система управления доступом;
※  умный дом, промышленный контроль;
※  оборудование для обнаружения автомобилей;
※&Интерактивное программное оборудование для голосования NBSP; телевизионная станция;
※  Правительственное энергосберегающее оборудование Street Light Energy
※  система беспроводной светодиодной дисплея
※ Bluetooth Manipulator, Bluetooth Gaming Handing
※ Bluetooth Printer
※ Bluetooth -дистанционное управление игрушкой
※  автомобильный диагностический инструмент OBDII
3..Физические характеристики:
Operating Frequency Band | 2.4GHz -2.48GHz unlicensed ISM band |
Bluetooth Specification | V2.1+EDR |
Output Power Class | Class 2 |
Operating Voltage | 3.3V |
Host Interface | UART |
Dimension | 27mm (L) x 13 (W) mm x 2mm (H) |
4..Электрические характеристики:
Absolute Maximum Ratings | ||
Rating | Min | Max |
Storage temperature | -40℃ | +150℃ |
Supply voltage: VBAT | -0.4V | 5.6V |
Other terminal voltages | VSS-0.4V | VDD+0.4V |
Recommended Operating Conditions | ||
Operating Condition | Min | Max |
Operating temperature range | -40℃ | +150℃ |
Guaranteed RF performance range(a) | -40℃ | +150℃ |
Supply voltage: VBAT | 2.2V | 4.2V(b) |
5..Энергопотребление:
Operation Mode | Connection Type | UART Rate(kbps) | Average | Unit |
Page scan | - | 115.2 | 0.42 | mA |
ACL No traffic | Master | 115.2 | 4.60 | mA |
ACL With file transfer | Master | 115.2 | 10.3 | mA |
ACL 1.28s sniff | Master | 38.4 | 0.37 | mA |
ACL 1.28s sniff | Slave | 38.4 | 0.42 | mA |
SCO HV3 30ms sniff | Master | 38.4 | 19.8 | mA |
SCO HV3 30ms sniff | Slave | 38.4 | 19.0 | mA |
Standby Host connection | - | 38.4 | 40 | μA |
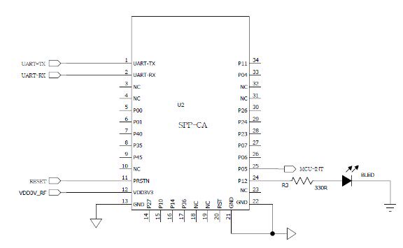
6..Схема применения:

ПРИМЕЧАНИЕ. Эта схема прикладной схемы представляет собой последовательную схему Bluetooth. Если необходимы другие решения для приложений, свяжитесь с нашей компанией.
7..Другая конфигурация
Индикатор состояния светодиод: P12
Он используется для указания состояния модуля Bluetooth.
модель | LEDпоказывать | Состояние модуля |
Модель | Мелошивание равномерно (на 800 мс на 800 мс) | В ожидании сочетания |
Длинный яркий | установить связь |
Инструкция по прерываниям хоста:P05
Он используется, чтобы указать, прерывается ли хост или нет, состояние соединения на высоком уровне, а другие состояния низкие.
8..LAYOUTМеры предосторожности
1. Последовательный уровень модуля Bluetooth SPP-CA требует 3,3 В. Если вы подключитесь к системе уровня 5 В, вам необходимо увеличить чип преобразования уровня.
2. Сигналы Bluetooth сильно влияют на окружающие, такие препятствия, как деревья, металлы и стены, будут поглощать или блокировать сигнал Bluetooth. Поэтому рекомендуется не устанавливать в металлической оболочке.
3. Поскольку металл ослабит функцию антенны, рекомендуется не проложить землю и проводку под антенной модуля при предоставлении платы мирян модуля, чтобы быть пустым.






