PIC/STM32 Microcompute Microcompute

Вес товара: ~0.7 кг. Указан усредненный вес, который может отличаться от фактического. Не включен в цену, оплачивается при получении.
Описание товара
- Информация о товаре
- Фотографии
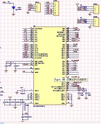
&Nbsp; я более 20 лет электронного фундамента, специализирующийся в области разработки программы программы микрокомпьютеров PIC/STM32, а также проектирование аппаратных цепей, а также предназначенная электронная инженерная инженерия; этот магазин обеспечивает электронный дизайн продукта, дизайн схемы карты, дизайн диаграммы печатной платы, PCB. Проверка, производство схемы на рамках, компонентная сварка компонентов сварки обработки, программирование, одноэффективный микрокомпьютер на основе PIC, однопроизводительный микрокомпьютер серии STM32.
Заинтересованные стороны, пожалуйста, проконсультируйтесь с тел.: 13562752627 weChat одинаковое число27


