Новая версия Lyman Leman Ear 2017

Вес товара: ~0.7 кг. Указан усредненный вес, который может отличаться от фактического. Не включен в цену, оплачивается при получении.
Описание товара


- Пекартная плата
- PCB+(BC Filter Concacitor)+комплект


- PCB+Pioneer Filter Concacitor+Kit Bulk
- Информация о товаре
- Фотографии
| Цвет: | Пекартная плата, Законченная материнская плата (BC Filter Concacitor), Законченная материнская плата (Pioneer Indiance Filter Concacitor), PCB+(BC Filter Concacitor)+комплект, PCB+Pioneer Filter Concacitor+Kit Bulk, Высоко -профиль готовый продукт (BC Filter Concacitor), Стандартный конденсатор Pioneer Pioneer Phineer Pioneer |
СказатьУхо Лимана, я считаю, что большинство сгоревших друзей не чужо. Это очень золотая классическая линия.Ушено Бенюлана ссылается на оригинальную линию машины, схема не изменилась, и большинство материалов используются в соответствии с оригинальной машиной. Существует небольшая часть высокого качества звука.
Конфигурация:
ПГБ: 105*148 мм с двойным тонущим золотым доской.
Примечание. Набор представляет собой компоненты на плате PCB+, (за исключением трансформаторов и шасси) стандартные комплекты, а высокие детали относятся ко всем компонентам на PCB+Poard Friend.Стандартным емкостью основного фильтра является пионерский и пользовательский аудио конденсатор. Высокопроизводимый филипский фильтр емкость является одинаковой. Другие компоненты на плате одинаковы.Готовая машина также отличается от этих двух конденсаторов. Другие одинаковы, пожалуйста, знайте.
*Сопротивление главного совета использует британское Welvin Welvin 1/4W без сенсорного сопротивления, которое является более стабильным, чем сопротивление Dale.
*Трансформатор специально настроен мастером, который делал на протяжении десятилетий аудио трансформаторов. Средне-лучевая ирригация, выходной сигнал мощности 30 Вт двойной 15 В, (четыре линии) две разные линии разных цветов связаны с 0 В (GND), 15V -0 0 -15V.Фон тихий, голос естественный, пространство хорошее, а низкая частота мощная.
*Основным конденсатором фильтрации, высокопрофильной версией является новый конденсатор Philips (BC) 4700UF/40 В.pioneer(Pioneer Custom Audio Concacitor) 4700UF/50V, фактическое чувство слуха ничем не отличается от конденсаторов BC.
*Потенциометр - это японский большой синий оболочка Alps27, потенциометр,Neutrik Nest Cock Gold 6.35 Экспорт наушников (две дороги); Tyco восстанавливает страховку.
*Входной связкой емкость является конденсатором Siemens Mkp2.2uf Wuji, который чрезвычайно низкий.Другие мелкие конденсаторы - WIMA Mkp10, Fkp2 wuji Concacitor.Японский химический LXZ 470UF/25V.
*Берег всей машины переключается и переключает сиденья по страхованию с тремя -в одной области рифмы, серебряного предохранителя серебра, а RCA -это американо -кислородное бронзовое сиденье с кислородом CMC.
*Кристаллические трубы, новые феи или Motorola BD139, BD140-16, на Ansumi или Philips BC550, BC560, точное спаривание.
*OP AMP использует двойной OP AMP OPA2134 в качестве оригинальной машины, а Тайвань Чжэнлинг помещается в гнездо 8P, наполненное золотом.
*Транзисторный радиатор является специальным радиатором, импортируемым из Раймана,Используйте Philip Byv27 High -Speed Diefier Pief
,На (Ansoni) LM317, 337 линейная стабилизация.Выключатель усиления -Тайвань Cec Bai Rong EDS102S 2p Dial -Dial Switch.
Параметры продукта:
Частотный диапазон: 10 Гц ~ 35 кГц.
Дисковая степень: ﹤ 0,001%(6 МВт/300ΩПолем
Выходная мощность: 200 МВт/300Ω,400mw/60Ω
Введите интерфейс (post): rca*1
Выходной интерфейс (спереди) 6,3 мм*2, (post) rca*1
Общий размер:Размер шасси составляет 275x116x46 мм, внутренний размер составляет 271x108x42 мм, а размер панели - 120x60x6mm
Ниже приводится оценка изображения:







Специальная индивидуальная кольца -кольца с кислородным намоткой, герметизирующая в середине


American CMC -кислород -плановая RCA, звуковая рифма с тремя электрическими источником, Sound Rhyme Gold Silver Fuse.



Приобретите всю машинную дистрибуцию 6.3 гарнитуру в заглушку.



Две основные диаграммы конфигурации емкости фильтра
Получить выбор

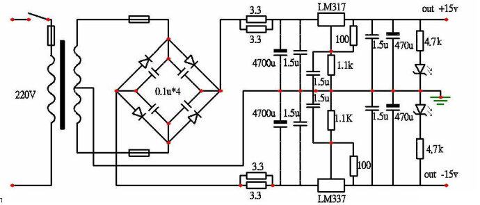
Схематическая диаграмма


Инструкции по использованию OT по -прежнему: (новичок должен прочитать)
1.Прежде всего, вы должны понимать правильные привычки использования аудиосистемы. Остальное состояние выключения, ручка громкости заблокирована в небольшом месте, сначала откройте источник аудио, затем откройте ухо, а затем постепенно увеличивает громкость. Дорогие наушники, используя усилитель, то же самое.
2.Новая машина требует процесса старения. Она должна быть включена только на ухой машине. В отличие от постепенной частоты различных частот, которые занимают в течение определенного периода времени, это на самом деле процесс старения нового устройства. Общее оборудование. может войти в штат примерно через 2 недели.
3.Выбор источника звука, многие люди попросят меня порекомендовать проблему, такую как игрок. , просто послушайте его. Издание неразрушающего музыкального игрока, совместимый формат может играть 5,1DTS Curround Sound.Если вам необходимо использовать компакт -дисков+декодер, использование матери с игроком+декодер. В Интернете фальшивые, то есть файл mp3 преобразуется в формат.
4.Некоторые друзья подумают о мотоциклах. Рекомендуется не слепо мотоциклам. Это не более дорогие компоненты, чтобы иметь лучшую производительность, и могут быть даже хуже. Некоторые хотят обновить друзей. После выпуска нет OP -усилителя Я в порядке (например, OPA627). Одна из причин: замена OP AMP не обязательно хороша. Это может не подходить для этой схемы.
ТРЕТЬЯ: в той же партии параметров OP AMP будет небольшое отклонение той же модели. Кроме того, если вы не знаете о других операционных усилителях, триод также должен соответствовать OP AMP, выберите транспортировку транспорта Плата и плата. Уместно надеть его.




