- Таобао
- Техника
- Аудио и видеотехника
- Hi-Fi -динамики / Усилители
- 561436565673
2.1 Мультимедийные басовые рабочие места, тяжелые басовые растения Параллельные параллельные TDA7293 Трехканальный усилитель

Вес товара: ~0.7 кг. Указан усредненный вес, который может отличаться от фактического. Не включен в цену, оплачивается при получении.
Описание товара
- Информация о товаре
- Фотографии
  должен -прочитать перед покупкой: чтобы предотвратить недобросовестных покупателей, у которых нет шансов вернуться и обмениваться, тем самым объясните, что все покупатели, которые возвращаются и обмениваются. И обмены за запасные расходы на упаковку, общий платеж: круговой груз+расходы на труд и упаковку (20 юаней). Покупатели, которые не согласны с этим требованием, пожалуйста, не:!
Зарубежный клиентВы можете настроить напряжение напряжения 110 В или 240 В переменного тока.
Уведомление!Уведомление!Рискованно собирать сабвуфер самостоятельно, и вам необходимо иметь определенные электронные базовые знания и руки -на способности. Это может избежать и проанализировать много проблем. Из -за ущерба для человека IC не находятся в рамках гарантии. И груз. Полем
Высокая мощность 2.1 -усилитель канала,
TDA7293 используется в левом и правом каналах,
Два вывода TDA7293 с двумя TDA7293
Двойная добыча добычи!
Этот усилитель мощности использует 300 ВтВысокая мощностьТрансформатор!
Используя импортированный параллельный выход TDA7293, сильная мощность!
Передняя схема с низким уровнем пропускания использует оригинальный импортный JRC4558 OP AMP!
Ниже приведена реальная вещь:
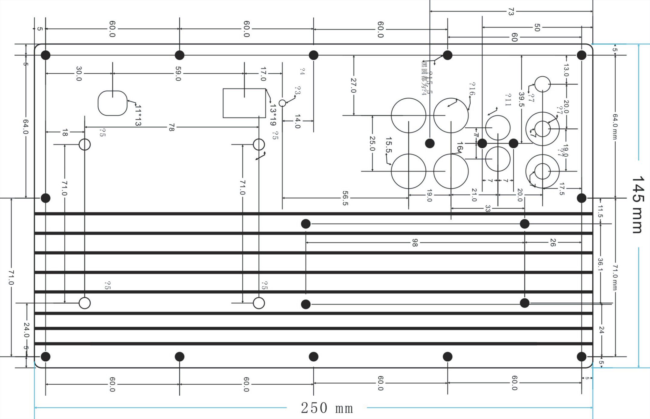
Внешний размер: 250 мм*145 мм


Открытые отверстияРазмер: 225 мм*120 мм
Входной интерфейс Lotus Line
Внешний интерфейс терминала левого и правого канала (столбец с высокой мощностью)
Толстый и увеличил заднюю пластину всех -алюминиевых сплавов.
6 -INCH FAN Охлаждение
Ультра -высокий кольцо -обратный кольцо -карман
Используя электролитическую фильтрацию с большой способностью, бас сильнее
Полный импортный потенциометр и переключатель преобразования





Оригинальный импортный JRC4558
Схема обработки на задней части этой фабрики (только реальная производственная фабрика имеет такую полную картину)
руководство










