Прямые продажи производителя Ankerui PZ72L-AV3 Трехфазный ЖК-вольтметр, включение налогов, включенная транспортная, двухлетняя гарантия

Вес товара: ~0.7 кг. Указан усредненный вес, который может отличаться от фактического. Не включен в цену, оплачивается при получении.
Описание товара
- Информация о товаре
- Фотографии
Программируемый интеллектуальный электрический счетчик PZ Series
1.1 Обзор
Инструмент этой серии использует технологию отбора проб переменного тока для измерения таких параметров, как ток, напряжение, мощность, коэффициент мощности и энергия энергии в сетке. Скорость множителя может быть установлена с помощью тонкой пленки панели.С помощью интерфейса связи RS-485 принят протокол Modbus или Profibus; сигнал мощности также может быть преобразован в стандартный выходной сигнал DC; или входной / вывод объема переключателя, выход тревоги ретрансляции и другие функции.
1.2 Описание модели

1.3 Технический индикатор

1.4 характеристики продукта
● Технические характеристики типа 72



● Технические характеристики типа 80




● Технические характеристики типа 96



● Технические характеристики типа 42



1,5 символ и размер (блок: мм)

ПРИМЕЧАНИЕ. Глубина PZ96B-P3 (P4/E3/E4) составляет 102, а глубина старых продуктов PZ96B-AI (AV/F)-127. Для получения подробной информации, пожалуйста, спросите производителя.
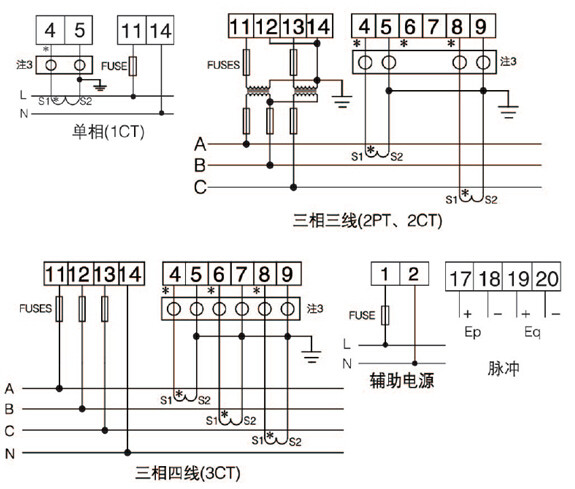
1.6 Терминалы
● Текущая таблица

● Напряжение (таблица частоты с однофазной таблицей напряжения)

● Стол питания

● Измеритель электрической энергии/таблица общей гармоники


ПРИМЕЧАНИЕ 1: Он подходит для случая однофазного электрического измерителя и суммы переключения до 8DI/2DO;
Примечание 2: Применимо к случаю 8DI/2DO.
Заметка 3: Для тестового терминала для КТ -вторичной стороны, тестовый терминал.
ПРИМЕЧАНИЕ 4: Применимо к PZ42 (L) -E3 (4) необязательно 4DI/4DO, с односторонним сигналом пульса с односторонним пульсом.

Адрес компании: Anke Rui Electric Co., Ltd. Почтовый индекс: 201801
Copyright: Anke Rui Electric Co., Ltd. Техническая поддержка: Anke Rui Electric Co., Ltd. Системный отдел





