Мотор для программирования, контроллер, сервопривод

Вес товара: ~0.7 кг. Указан усредненный вес, который может отличаться от фактического. Не включен в цену, оплачивается при получении.
Описание товара
- Информация о товаре
- Фотографии
|
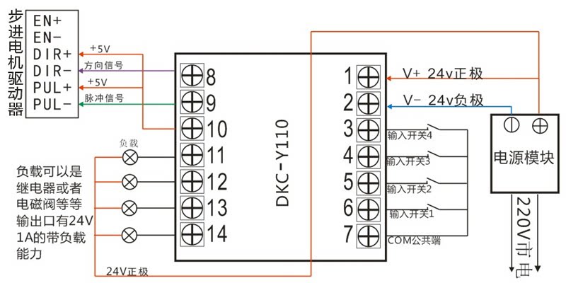
1 Вход широкого напряжения: DC6-32V
2 Многочисленные функции защиты: защита против соединения, защита от перенапряжения, защита над током
3 Характеристики: 10 большинства инструкций (хорошие воспоминания могут изучать все виды сложных действий)
4 Ускорение: 1-100 уровней увеличивают настройки замедления, делая запуск двигателя более плавным и быстрым, останавливаться более точными
5 Выходная частота: 1 Гц-50000 Гц может подходить для всех видов высокочастотных, высокочастотных приложений
6 Входной вывод: 4 вход, 4 вывода (емкость нагрузки 1a может быть напрямую подключена к реле и т. Д.)
7 Защита пароля: существует функция защиты пароля (программа защиты не будет изменена по желанию, и интеллектуальная собственность программы)
8 Другие: существуют одиночные и двойные импульсные выходы, автоматически возвращаются к нулевой питание, автоматически запускаются и так далее.
9Размеры: 72*72*105 мм  встроенная установка.Установка требований к открытым отверстиям 68*68 мм












