DC, мотор, сильный магнит, полноприводный автомобиль, 3v, 6v

Вес товара: ~0.7 кг. Указан усредненный вес, который может отличаться от фактического. Не включен в цену, оплачивается при получении.
Описание товара
- Информация о товаре
- Фотографии
| Цвет: | 1 TT двигатель+1 колесо, 2 TT Motors (исключая колеса) |
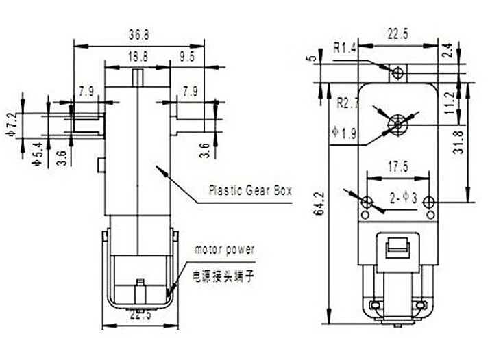
  DC3V-6V DC DECELERER MOTRETARE TT Двигатель Сильный магнитный противоположность четыре -колесный привод
Объем использования:Существуют электрические игрушечные продукты, такие как электронные продукты Scientific Research, роботизированный электрический корпус, пузырьковое пистолет, игрушечный корпус, четырехмоторные игрушки, автомобиль, игрушки для самолетов, вибрационные продукты и другие электрические игрушечные продукты
[Продукт] Прямой мотор замедленного замка.
【Модель】 1; 48
[Объяснение] Сильный магнитный, с анти -интерфейсом
  напряжение   ток воздушной нагрузки пустая скорость загрузки
6V ≤200mA 200±10% rpm
3V ≤150mA 90±10% rpm




Есть и другие вспомогательные колеса на выбор в этом магазине (нажмите, чтобы ввести↓):










