Мотор, игрушка, вибрация

Вес товара: ~0.7 кг. Указан усредненный вес, который может отличаться от фактического. Не включен в цену, оплачивается при получении.
Описание товара
- Информация о товаре
- Фотографии
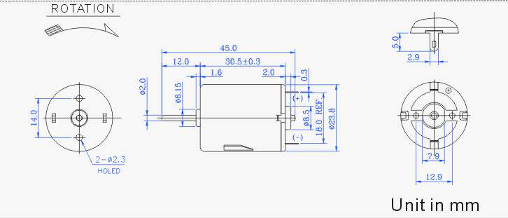
Оцененное напряжение: 7,2 В 380MA 13500 об/мин/минута
Напряжение/ток:
3V 250MA 6800 езда/минута
6V 350MA 11000 об/мин/мин
9V 420MA 16800 об/мин/минута
Общая длина: 42 мм
Диаметр оболочки: 24,2 мм
Длина раковины: 30,5 мм
Длина оси: 12 мм
Осевой диаметр: 2 мм






Инструкции по эксплуатации двигателя:
1.При использовании мотора не должно быть никаких ограничений. Например, клей не должен затекать в подшипник через вращающийся вал и мешать работе двигателя.
2.Вращение вала может оказать противоположное влияние на срок службы двигателя. Чтобы продлить срок службы, проверьте, соответствует ли ваш груз нормам. Его нельзя перегружать, либо на конце вала висят предметы, препятствующие вращению.
3.Создание эксцентричной большой радиационной нагрузки нанесет ущерб сроку службы двигателя.
4.Не храните его в местах с высокой температурой или влажностью и не помещайте в агрессивный газ, так как это снизит производительность двигателя.
5.Не запускайте двигатель в условиях высокой температуры и влажности.
6.Когда требуется пайка на клеммах двигателя положительного и отрицательного полюсов источника питания, температура паяльника340℃plusmn;40℃, время нагрева3Не деформируйте пластик в течение нескольких секунд.Во время работы места пайки должны затечь в двигатель или сломать концы проводов. Это приведет к ухудшению двигательной функции.
7.Не допускайте застревания вала двигателя. При подаче электричества двигатель за короткий промежуток времени перегреется и сгорит его аксессуары.
8.Из-за нехватки навыков персонала качество двигателя не может быть гарантировано, если двигатель сталкивается с чем-то, упомянутым в руководстве, или если поверхностное суждение явно является неисправностью.
9.Подайте указанную мощность и убедитесь, что она находится в пределах измеримых требований.
10.При установке шкивов или шестерен не прилагайте чрезмерных усилий при их запрессовке.
11.Если при установке двигателя винты будут слишком длинными, это приведет к контакту между самим двигателем и ротором, что повлияет на характеристики.









