Dc3v-6v 祦鍑 祦鍑 忛 熺 熺 熺 熺 熺 熺 熺 寮 寮 鎶楀 镓 镓 鏅 兘 搴 搴 洏 涢 杞 杞 杞 杞 杞 杞 杞 杞 杞 杞 涢 杞 杞 杞 杞 杞 杞 杞 杞 涢 杞 杞 杞 杞 杞 杞 杞涢 杞 涢 涢 涢 涢 涢 涢 涢 涢

Вес товара: ~0.7 кг. Указан усредненный вес, который может отличаться от фактического. Не включен в цену, оплачивается при получении.
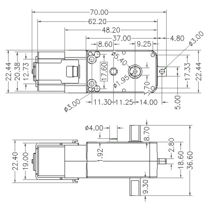
Описание товара


- Принять индивидуальные другие моторы параметров

- Информация о товаре
- Фотографии
| Цвет: | Двойное соотношение замедления 1:48, Двойное соотношение замедления 1: 120, Коэффициент замедления двойной оси 1: 220, Полная осада синяя одиночная ось 1:48, Полная осада желтая двойная ось 1:48, Одиночный коэффициент замедления 1:48, Одиночное соотношение оси 1: 120, Одиночный коэффициент замедления 1: 220, Принять индивидуальные другие моторы параметров, Полная осада синий двойной вал 1:48, 1,48 Одиночная синяя оболочка, 1,48 двойная осевая синяя раковина, 1,48 двойная линия сварки желтой оболочки |

No load current: | 90~110mA max. | ||
Нет загрузкиТекущий: | 90~110 mA | | |
No load speed | 50~±10%rpm. | ||
Нет скорости загрузки: | 50rpm±10%rpm | | |
Starting Voltage: | 1.2V (max.) under no load. | ||
Начальное напряжение: | Без нагрузки1.2V | ||
Output torque | ≥2.35 gf.cm Min | ||
Выход крутящего момента | | ||








