Вы быстрые NC3MAAH-1 Трехъядерные капитальные общественные сайты xlr Balance Circuit Plate PCB Сварная база капитала

Вес товара: ~0.7 кг. Указан усредненный вес, который может отличаться от фактического. Не включен в цену, оплачивается при получении.
Описание товара
- Информация о товаре
- Фотографии

Вы быстрые NC3MAAH-1 Трехъядерные капитальные общественные сайты xlr Balance Circuit Plate PCB Сварная база капитала
Первоначальный завод Liechndor Deng, официальный основной агент,Оригинальный продуктПересечениеРабота в бизнес -магазине,купонПродвижение, используйте его как можно скорее!
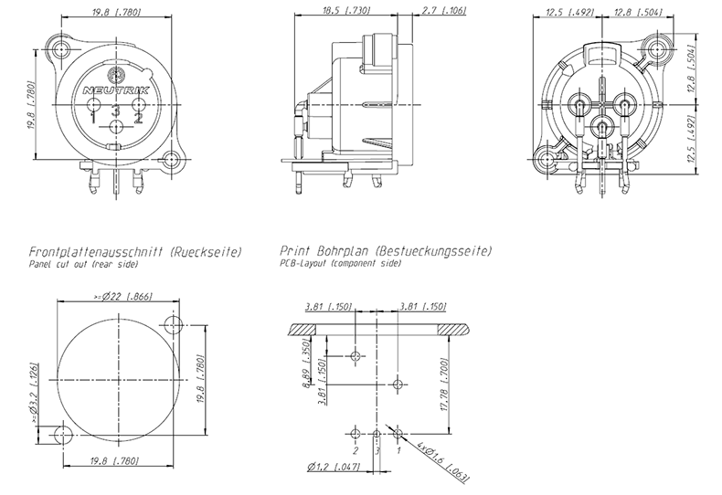
3 -ядром гнездовом гнезда Gongtou XLR, метод заземления: точка 1 подключена к панели и оболочке, а также на панели установки горизонтальной печатной платы
Последний разъем панели установки печатной платы новейшей экономической практической круговой пластиковой оболочки.Положение передней панели и макет печатной платы полностью совместимы с серией продуктов. Новый контакт тильпана обеспечивает высокое контактное давление для обеспечения долговечности.Сборка имеет шлюз, горючий уровень UL94HB.
Особенности и эффекты:
- Самый экономичный и практический сериал разъем
- Контакт -тип Tulip обеспечивает высокое контактное давление для обеспечения длительной долговечности
- Дополнительные золотые контакты и терминалы печатной платы для достижения проводимости и свариваемости
ПроизводитьPIN Физическая карта:




















