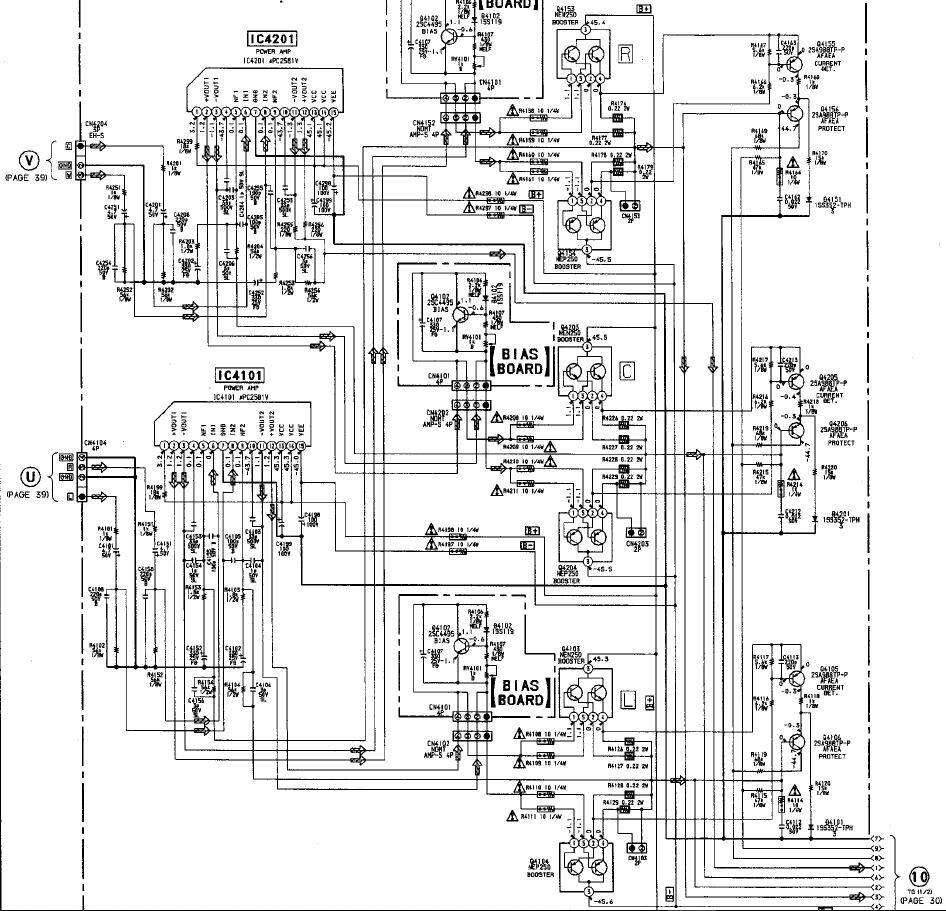
Усилитель UPC2581V подходит для Sony Power Tube NEN250NEP250 с низкой мощностью с низкой мощностью.

Вес товара: ~0.7 кг. Указан усредненный вес, который может отличаться от фактического. Не включен в цену, оплачивается при получении.
Описание товара
- Информация о товаре
- Фотографии
Большой уровень этой питания используется для использования NEC UPC2581V, а уровень мощности использует двойную и высокую трубку Darling Darling Sony. Линия -двойной канал 220WX2.
Доставка - это только печатная плата без компонентов.
Линия флагманского усилителя, интегрированная плата усилителя фильтрации фильтрации фильтрации, содержащая линию защиты рога.
Размер доски: 228*180 мм
Толщина доски: 1,6 мм
Доска: FR-4 a Уровень
Наиболее применимый диаметр трансформатора: 130 мм
Напряжение источника питания: AC26V*2 к AC33V*2
Линия JUMP J1 предназначена для того, чтобы избежать того, чтобы выяснить землю вместе на переднем и заднем уровнях. Обязательно подключите джампер перед мощностью -он!Реле ограниченное сопротивление потоку 1K/2W-это другое значение сопротивления, основанное на напряжении.
Со ссылкой на установку этого магазина шум в нижней части машины не может услышать шум, когда рог находится близко к рогу.
Ниже приведена карта установки, которая отображается только (доставка просто в том, что печатная плата не содержит никаких компонентов).

Плата использует 2 реле Omron 10a в качестве рога для защиты вывода.

Питание питания Datang, мост выпрямителя 25A1000V, 4 100 000 UF -конденсаторов, максимальный диаметр поддержки 35 мм.

Используйте специальную силовую трубку Sony (Dual -Tube), линию NEC UPC2581V.

Последняя строка температурной компенсации силовой трубки обеспечивает стабильную статическую рабочую точку для всей машины.

Дизайн рассеяния тепла с обеих сторон шасси может работать стабильно в течение длительного времени.

Следующая схема для справки:



