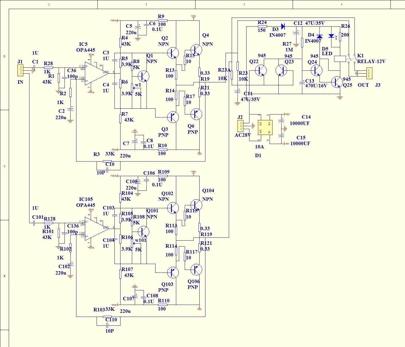
Двойная имитация MBL OPA445 Плата с усилителем лихорадки пустая плата за плата

Вес товара: ~0.7 кг. Указан усредненный вес, который может отличаться от фактического. Не включен в цену, оплачивается при получении.
Описание товара
- Информация о товаре
- Фотографии
НаборНе включает силовые лампы, фильтрующие конденсаторы и содержит угловой алюминий с хорошо открытыми отверстиями.
Имитация MBL OPA445, запечатанная в золото трубка, двухканальная плата усилителя лихорадки, готовая плата
28 В переменного тока плюс источник питания 28 В, рабочее напряжение OPA445 43 В
Выходная мощность 100 Вт+100 Вт
С защитой динамика, выпрямительным фильтром
Звук прозрачный, текстура реальная, движущая сила хорошая, напряжение средней точки практически равно 0.
Размер 20*10 см.
Напряжение источника питания AC Dual от 18 В до двойного 38 В, мощность трансформатора от 100 Вт до 500 Вт.Выходная мощность составляет 40 Вт до 180 Вт, а частота 10 Гц 100 кГц может способствовать динамикам выше 85 дБ.Может быть продвинут на переднем уровне или не на передней части.
Общая проблема:
1.Ответ: Рабочий ток платы усилителя может быть скорректирован, ток большой по отношению к классу A, а небольшая регулировка - это класс A и B, которые могут быть большим радиатором
Большой и молодой, чтобы регулировать ток.
2. Какова сила доски усилителей?Ответ: выходная мощность платы усилителя связана с рабочим напряжением.
Чем больше, например, когда рабочее напряжение -это двойная связь 28 В, выходная мощность составляет около 100 Вт на восьмерке на канал.
Мощность составляет около 140 Вт восьми -евро на канал.Семейные водители, использующие экологические использования, полны около 100 Вт 100 Вт.
3. Усилитель стабилен?Ответ: усилитель стабилен.
Конечно.
4. Может ли он управлять динамиком пола?Ответ: Да, вы можете управлять большинством динамиков на рынке.
5. Легко ли сделать усилитель?Ответ: Это легко, с базовыми электрическими знаниями, и проводка верна.


