F9-PGA2311x3 6-канальный объемный дистанционный дистанционное управление

Вес товара: ~0.7 кг. Указан усредненный вес, который может отличаться от фактического. Не включен в цену, оплачивается при получении.
Описание товара
- Информация о товаре
- Фотографии
Этот продукт представляет собой готовую плату.
PGS2311 не имеет следующих преимуществ для управления громкостью:
С точки зрения точности, он в 100 раз выше, чем механический потенциометр, а массив сопротивления шунтирования реле также в 10 раз выше, и точность<тысядный
С точки зрения окрашивания звука, из -за небольшого громкости, короткой проводки и распределенных конденсаторов ниже, чем у реле, звук звука кака, когда реле высосает в комбинации
С точки зрения качества звука, поскольку это продукт BB, нет искажений переключения, а искажение составляет меньше одного на 10 000
С точки зрения жизни, механический потенциометр изношен, и чем больше времени для управления электрическими приборами, тем больше времени сопротивления контакта.
С точки зрения управления, PGA2311 может управлять независимым контролем громкости в 6 каналах, что очень полезно для поля и положения звука, и нет никакого способа управлять реле.
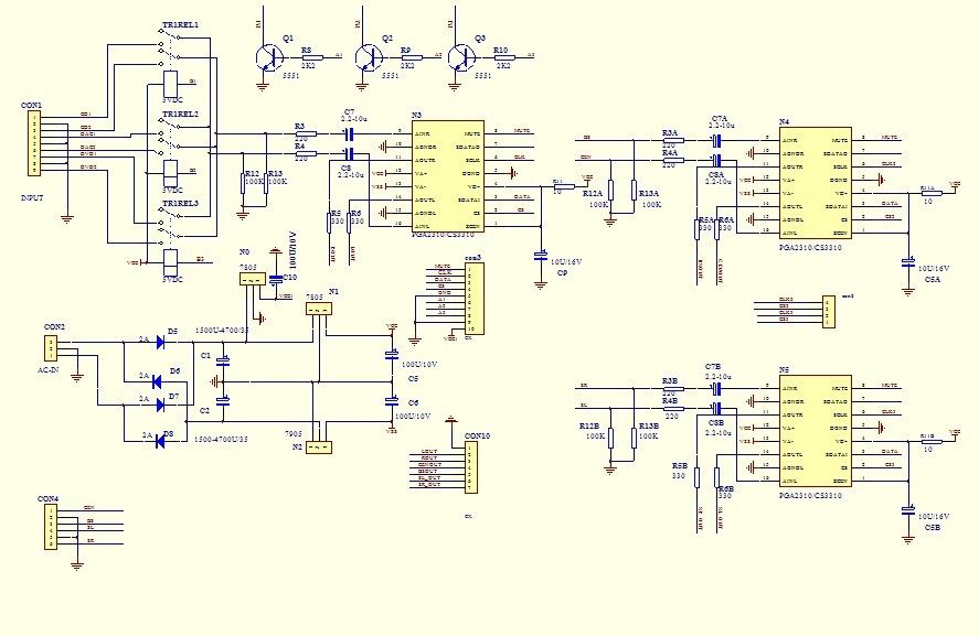
Colume Control принимает знаменитый чип PGA2311 американской компании BB.Этот чип называется&LDQUO;&Rdquo; его индикаторы могут относиться к приведенным ниже данным, которые не маленькие, чем CS3310, а степи составляет 0,5 децибел.Чип контролируется многими всемирно известными производителями Hi-End для десятков тысяч юаней.Такие как Джефф Роуленд, Крелл, Грифон, MBL, Марк Левинсон и т. Д.
1Этот контроллер может использоваться в виде двухканального 4-канального баланса. Контролируемая, даже AV-машина уровня W Yuan далеко от его превосходной производительности.
2Каждый канал может независимо отрегулировать громкость.
3С функцией памяти состояния (для установки с 24C02 и короткой настройкой на LCD -плате)
43 Выбор ввода дороги Hifi, полное пульт дистанционного управления. Введите выбор ручного ввода, нажмите кнопку цифрового переключателя
5Размер материнской платы очень маленький и простой в установке, размер 110x77 мм.
6Вы можете напрямую подключиться к усилителю мощности, и нет необходимости добавлять другой предварительный элемент управления.
7PGA2311 не начинается во внутреннем усилении при 0 дБ. Это чистый массив сопротивления. Когда вам нужно усиление>При 0DB внутреннее суперпущное автоматически запускается, что является предшественником с супер хорошими показателями.
8Трансформатор рекомендуется использовать самый низкий двойной 8 В или высокий двойной трансформатор 13 В.






Примечание:Потенциометры левого и правого вращающегося объема контролируются объемом, и вход должен выбрать для переключения 




Потенциометры левого и правого вращающегося объема контролируются объемом, и вход должен выбрать для переключения









