USAJB8400 Тяжелая супер басовая лихорадка лихорадка лихорадки Premator Predator Plate Limited Outlive Scounts

Вес товара: ~0.7 кг. Указан усредненный вес, который может отличаться от фактического. Не включен в цену, оплачивается при получении.
Описание товара
- Информация о товаре
- Фотографии
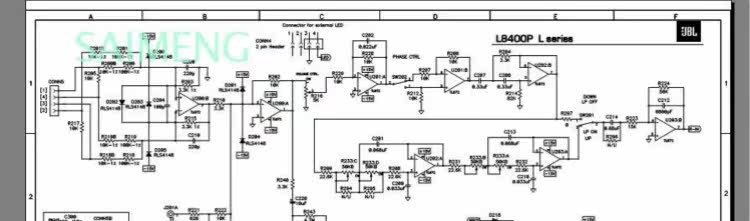
| Цвет: | Сам комплект Weld, Законченная плата плюс панель, Закончил доску, 12-17 года |
![]() |
|
DA Factory Style Line
Чувство количества и дайвинга не боятся ни одной карты оружия по той же цене.
Имитация JBL 00 Четыре 00 Эффект довольно мощный и немного грубый!
новый

Пакет 1: Сатсук самой сварки
Пакет 2: оригинальная версия готовой платы
Пакет 3: Оригинальный готовый продукт плюс панель
Пакет 4: Старые 12-17 лет в доске
Питание: AC Double 15 В
Плата FR-4 1.6 Толст
Размер: 138 мм х 53 мм
Центральное расстояние между потенциалом составляет 23 мм
Если вам нужен трансформатор, пожалуйста, переместите
http://item.taobao.com/item.htm?spm=a1z10.5-c.w4002-3566893553.39.h5jaxb&id=43758150724
Старая версия
Оригинальная линия

























