Подразделение питания напряжения напряжения класса A Ling Dan Ziqin Class A.

Вес товара: ~0.7 кг. Указан усредненный вес, который может отличаться от фактического. Не включен в цену, оплачивается при получении.
Описание товара
- Готовый продукт
- Пустая доска (исключая компоненты)
- Информация о товаре
- Фотографии
| Цвет: | Пустая доска (исключая компоненты), Готовый продукт |
Введите двойную связь 6-18 В (четырехстрочная система), выходной двойной DC 5-15V  текущий 160 мА по умолчанию  размер платы: 104x70 мм
Духовная подача для улучшения качества звука—— класс параллельной стабилизационной питания
Чтобы сделать набор усилителей с превосходным качеством звука, сначала необходимо иметь превосходную схему усилителя переднего уровня и хорошую схему усилителя переднего уровня, чтобы воспроизводить свою лучшую производительность, вам необходимо иметь отличный источник питания для его питания!Некоторые привет— Фронт-классные машины в конечном итоге используют сухие батареи для питания, такие как: передняя стадия PUTANA в Японии PUTANA PUTANA SU-C7000 использует аккумуляторную мощность!Передние цепи, посвященные внутренней премии самолета, в основном состоят из отдельных компонентов. На рисунке 1 представлена сравнительная диаграмма шума трех типов систем питания: стабилизация ИК, отдельная цепь напряжения напряжения и система питания аккумулятора.Сущность

Вот категория Цепля напряжения напряжения параллельного напряжения, используемая для введения наиболее полезного самолета, посвященной домашней премии, в большинство самолетов, полученных в домашних условиях. Схема схемы показана на рисунке 2. Цепь используется для питания схемы в цепь. Передняя сцена. Для силы, на середине высокой частоты становится гладкой и мягкой, что значительно улучшает музыку. Он чувствует себя нежно в субъективном смысле слуха. Там нет холодного и резкого. Используйте эту силовую схему, чтобы получить машину. Улучшение. очень очевидно!Поскольку общий звук в основном представляет собой трехкомнатную стабилизацию или стабилизацию последовательности, лучше использует активную стабилизацию сервопривода, а производительность цепи питания напряжения напряжения напряжения класса A является наиболее близкой к производительности питания аккумулятора. Конечно, эффект значительный!
  Питание напряжения параллельного напряжения очень мало, что играет отличную роль в улучшении качества звука, потому что внутреннее сопротивление тока схемы меньше и лучше!Он заложил основу для повторного появления музыкальных деталей.
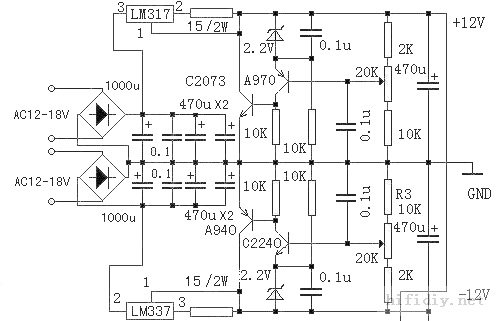
  ниже анализируется принцип работы питания напряжения класса A: муниципальное электроэнергию 220V проходит через трансформатор, чтобы уменьшить напряжение выпрямителя после того, как направляющий мостик выпрямляется C1 (C2), отфильтровал обмен смешанными волнами, а затем используйте превосходный LM317 и производительность LM317 и производительность схемы постоянного тока, состоящей из R1 (около 160 мА, что может привести к тому, что любая чистая цепь усилителя. Если ток больше, измените значение сопротивления R1 ), цепь постоянного тока может блокировать шум мощности и эффективно отступить эффективно соединять интерференцию после первой стадии через источник питания. После постоянного тока источник питания составляет VT1 (VT2), VD1 (VD2) и RP1 (RP2), R2— R5) представляет собой цепь настройки отбора проб ошибки напряжения и через регулирующую трубку VT3 (VT4) R6 (R7), чтобы изменить падение напряжения направления в трубе регулировки и использовать ток диверсии для достижения цели напряжения Напряжение.Регулировка трубки и нагрузки параллельна, а значение сопротивления невелико.
&При изготовлении NBSP; при изготовлении источник Hengli (LM317T) и регулировочная трубка должны быть установлены на большой радиатоте (обратите внимание, что каждая трубка и радиатор должны быть сочетаются с изоляцией пленки Yunmu).Предложение о выборе компонентов во время производства: источник питания является ключевой частью производительности предшественника, поэтому необходимо уладить ногу. Подождите, не -полярный конденсатор CBB -обратный металл без датчика или конденсатора MKP Tongmuxun, сопротивление: R1 использует R1. 2W или более металлической мембраны сопротивления, оставшимся сопротивлением составляет 1/4 Вт с пяти -колорным сопротивлением металлической пленки, малый триод триод для шума, низкая аудио труба A970, средняя мощность C2073, потенциометр, который регулирует выходное напряжение, не может быть использован для обычного продукты и должны использоваться с точным потенциометром.
  отладка: после правильной сварки и подключения трансформатора, подходящего для напряжения, вы можете включить питание для отладки (Примечание: напряжение трансформатора должно быть равным или больше, чем напряжение, требуемое предыдущим аудио Поставка измеряет его выходное напряжение, а затем регулирует точный потенциометр в положительном и отрицательном схеме питания, соответственно, чтобы стабилизировать напряжение, необходимое для схемы переднего класса, а также положительное и отрицательное напряжение питания может быть равным. Источник питания!
Я считаю, что чистый и чистый, богатый слоистый, высокочастотный стройный, круглый, сладкий и красивый -это описание качества звука после изменения звука!







