Анализ дизайна штамповки плесени (входная входная часть много -сайта)

Вес товара: ~0.7 кг. Указан усредненный вес, который может отличаться от фактического. Не включен в цену, оплачивается при получении.
Описание товара
- Информация о товаре
- Фотографии

Книга «Анализ маркировки иллюстраций дизайна плесени (формование на много станции)», под редакцией Джин Лонгцзян, имеет следующие характеристики.
1. Расширенный контент.Эта книга собирает 148 обычно используемых моделей на много станций, стремясь завершить систему контента и отражать новые достижения и расширенный опыт современной технологии развития моделей.
2. Сильная практичность.Работает различные обычно используемые многотационные плесени, и комбинация графической структуры и объяснения текста используется для анализа на анализе структуры плесени для легкого обучения и самообучения.
3. Выделите ключевые моменты и сделайте материалы простыми и подробными.Общая структура плесени, чертежи и объяснения просты, а сложные узоры структуры плесени и объяснения подробно описаны, чтобы достичь полного объяснения.
4. Тщательно следуйте фактическому производству.Легенды, перечисленные в книге, сочетаются с производственной практикой, и большинство из них - продукты для плесени, разработанные самим автором.

| наименование товара: | Анализ дизайна штамповки плесени (входная входная часть много -сайта) | формат: | 16 |
| Автор: | Под редакцией Джин Лонгцзянь | Цены: | 128.00 |
| Номер ISBN: | 9787122313041 | Опубликованная дата: | 2018-04-01 |
| Издательство: | Химическая промышленность пресса | Время печати: | 2018-04-01 |
| Версия: | 1 | Индийский: | 1 |
Глава 1. Вырубная прогрессивная матрица 1
1.1 Уровень каркаса фильтра 1 вход 1
1.2 Модель 3 3 3 3 3 3
1,3 Микро -сетчатое входное отверстие 5
1.4. 8 класс.
1,5 Модель наследования 10
1.6 Кружный круговой модель 12
1.7 Входная плесень уровня подключения 14
1,8 квадратная доска.
1.9 Отрегулируйте уровень пленки. Вход 18
1,10 Длинно -образный тактильный модуль 20
1.11 Железный чип -Level Inlet Flom 22
1.12 Casry Model 24
1.13 Треугольная модель подушки 26
1,14 м10 гексагональная нить вход 28
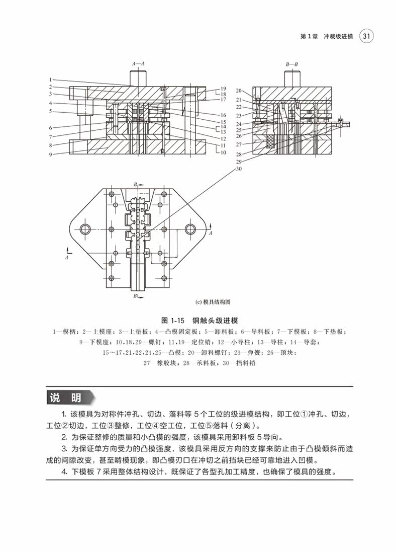
1,15 Уровень контакта медного контакта 30
1.16 Контактный уровень пленки. Вход 32
1.17 Кольцо подключения -Модель 34
1,18 Управление кадры класса 36
1,19 маленькие коврики, средние падки, большие круги прокладки 38.
1,20 велосипедные дисковые тормоза 41
1,21 Магнитный ротор моторного входа 43
1,22 Микрокомпьютер.
1.23 Железная цепная прокладка Раздел 49
1.24 Planet Model 52
1.25 Компьютерное шасси Уровень 54
1,26 Madamine Iron Chip Grade 56
1.27 Уровень электрической контактной пленки. Вход 60
1,28 Стоимость двигателя, Rotor Iron Chip Grade 62
1.29 Moom Inner Rand Auto Feed Device Card Card 65
1,30 Microcarmark Cashry Model 68
Глава 2 Разрыв и изгиб
2.1 -Уровень покрытия. Вход 71 71
2.2 Модель 73 подвески 73
2.3 Магнитное воспроизводство 75 класс 75
2.4 Смотреть компонент два -Уровень пружины пружины 77
2.5 Стрип 79
2,6U -Уровень кронштейна 81.
2.7 Модель ввода уровня пленки электрического соединения 84
2.8 Электронный счетчик сцепления.
2.9 Движение движения самостоятельно
2.10 пружинный клип -Level Inlet 91
2.11 Уровень электрического гнезда. Вход 94
2.12 Уровень листьев ветра маленького мотора 96
2.13U -Входная плата на уровне подключений.
2.14 квадратный уровень 102
2,15 квадратная подушка -Адрейс -впускная плесень 104
2.16 Сторонная кривая.
2.17 Угловой уровень пленки вход 109
2.18 Круглый метро модель 111
2.19 Отрицательная пленка полюса 114
2,20 Перекрытие Входной модели 116 Уровень сиденья 116
2.21 Модель 119 уровня платы малого подключения 119
2.22滑板级进模122
2.23 Подключаемые ветви Уровень впускной плесени 124
2.24 Кроншin Crackte.
2,25 Evapoor правая трубка класс 130
2.26 Contactor Contact Удерживая плесень впускного чипа 132
2.27 Модель когтя 135
2,28 Уровень шарнира.
2,29 Spring Card Grade 141
2.30 Electrical Small Rap -модель 143
2,31 Градовая награда 145
2.32 Входная плесень уровня подключения 147
2.33电器开关过电片级进模150
2.34 Уровень проводки пленки входной плесень 152
2.35蓝牙屏蔽盖级进模154
2.36 Сканальный крюк 156
2.37 Уровень автомобильного электрического кронштейна 158
2.38 Введение в модель входа 160
2.39 Асимметричная когтя модель 162
2.40合页扣件级进模165
2.41 Электрическая электрическая модель 167
2.42安装板级进模170
2.43 Подключение клавиатуры -входной плесень уровня оболочки 173
2.44弯曲压板级进模176
2,45 Входной режим уровня вычета 179
2,46B -образованный гневный клемм Уровень 182
2.47 Электронный*G1 Cap Progressive Die 185
2,48 модель передачи карты трубки 188
2.49 Швейная машина кронштейн A, B и C Три детали. Входная плесень 193
2.50U -Уровень крючка 198
2.51电源连接器面板级进模201
2,522SB Socket Shell Grade 204
2,53 Проводящая микроэкс. Модель 208
2.54191&Град; изгибающий терминал Уровень 211
2,55 Перепечатка плагина 214
Глава 3: Резка и рисунок глубокоуровневой предварительной плесень 218
3.1 Ограниченная доска для покрытия 218
3.2小压盖级进模220
3.3 Небольшой выпуклый край без компонентов нижней трубки 223
3.4 Цилиндрическая часть -Входная плесень 225
3,5 пожилой обложки 227
3.6矩形隔离罩级进模230
3.7 Гексагон гвоздь 232
3,8 Маленькая цилиндрическая раковина вход 234
3.9 Шаг коническая часть -Адрейт 236
3.10端盖级进模240
3.11 Shell Base Grade 243
3.12 Кристаллическая трубка Уровень сиденья.
3,13 Счета запчастей.
3.14 Потенциометр.
3.15电机盖级进模255
3,16 бронзовая шляпа шляпа 258
3.17开关座级进模261
3.18 Уплотнение контейнера, блокируя уровень крышки 264
3.19 Модель впускного отверстия круга давления 267
3,20 Длинная цилиндрическая раковина вход 270
3,21 Квадратная сварка.
3.22 Остановка шляпа -Уровень входной плесень 275
3,23 Внутренняя грипская оболочка 278
3.24 Подключение чипа -Вход 281
3.25 Уровень внутреннего покрытия защиты 283
3.26 Двойной сварки сварки 286
3,27 Shell Shell 288
3,28 Классная куртка. Вход 291
3,29 бассейн 293
3.30 моторная крышка
3.31 Bang Fang Fang Box Grade 299
3.32 Сварка. Вход 303 303
3.33 Конус -обратная деталь -Главная вход 306
3.34 Крышка двигателя непрерывно тянет глубокоуровневое входное плесень 309
3.35汽车开关接触片级进模312
3,36 Крышка трубки для христа -хрустального генератора
3.37 Стальной цилиндр модель 319
3.38A侧管连续拉深级进模322
3.39 Уровень проводки пленки входной плесень 328
3,40 набор сиденья трубки и скорлупы трубки и автоматическая атака -провод -Вход 331
3.41 Tube Hat Grade 335
3.42 Плазматическое телевизионное соединение.
Глава 4: Резка и формирование шага 341
4.1 Tube Clip -UP Уровень карты впускной плесень 341
4.2 Инструментальная входная плесень 344
4.3 Tongkou hamty -level Inlet 346
4.4 Dibcan Springs Уровень 348
4.5 Время мощности Полиное модель 350
4.6 Кольцо -обработанная слезой крышкой 352
4.7 Микро -контактный пленка -Улицевой вход 354
4.8 Главный крышка 356
4.9 Внешняя цепная доска 358
4.10 Степпер из лапы, образуя тонкую накачивание 360
4.11 Давление -Модель 363
4.12 Уровень кронштейна моторного сцепления 365
4.13 Уровень давления на бутылочной заглушке 367
4.14 ПЛИМО -Синдром Переключатель Транзит -Уровень Впускной Плесень 369
4.15 Уровень первого этажа 372
4.16 Фонарный треугольный диск модель 374
4.17 Впускная платка на уровне платы на уровне поезда с высокой скоростью 378
4.18 Передняя сторона левой передней части левого сиденья 384
4.19 Long Circular Connection Chip -Level Inlet 386
4.20 Триод ведущий кадр.
Ссылка 391
......
148 Обычно используется легенды на уровне. Структурные объяснения и ключевые технологии отражают передовый опыт сегодняшнего формования на уровне многоквартирных станций. Он также может быть использован для справки учителями и студентами соответствующих специальностей в колледжах и университетах.








......



