Aviation Plug P48K6Q P48K6S P48J6Q 26 CORE CONSER

Вес товара: ~0.7 кг. Указан усредненный вес, который может отличаться от фактического. Не включен в цену, оплачивается при получении.
Описание товара
- Одиночный лук
- Сингл -Seater
- Одиночная голова
- Локоть
- Прямо -божественный
- Информация о товаре
- Фотографии
| Цвет: | Одиночный лук, Прямо -божественный, Одиночная голова, Сингл -Seater, Локоть |



P Series | модель | Количество ядер | модель | Количество ядер |
| P20K9Q | 5 | P32K3Q | 12 |
| P20K9Q | 5 | P32K4Q | 10 |
| P20K3Q | 3 | P32K10Q | 10 |
| P20K6Q | 4 | P32K19Q | 19 |
| P20K2Q | 2 | P40K1Q | 3 |
| P20K11Q | 7 | P40K3Q | 14 |
| P28K11Q | 6 | P40K2Q | 9 |
| P28K9Q | 4 | P48K5Q | 20 |
| P28K1Q | 2 | P40K8Q | 16 |
| P28K4Q | 7 | P40K8Q | 16 |
| P28K3Q | 6 | P48K6Q | 26 |
| P32K10Q | 10 | P55K3Q | 30 |
| P32K4Q | 14 |




Обычный круглый электрический разъем P -типа соответствует резьбе SJ/T1049394. Существует 7 разновидностей P16 и P55 и более 1800 спецификаций, включая: прямые, изогнутые, экранированные, не защищающие, герметизирующие, не запечатывание и т. д.Диаметрφ1.5,φ2.5,φ3.5,φ5,5 мм, золото, серебро.
(1) Использование условий и основных технических характеристик
·Температура окружающей среды: -60 ℃ ~ 50 ℃
·Относительная влажность: 95%, когда влажность составляет + 40 ° C;
·Вибрация: частота 10 ~ 200 Гц, ускорение 95 м /с 2
·Сопротивление изоляции: нормальная температура »20 мΩ
·Влажный и горячий "20 мΩ
·Жизнь: подключен 500 раз
Серийный номер | Характеристики и содержание категории | отметка | |
1 | Обычный круглый электрический разъем | ||
2 | Панель сокета с диаметром (16,20,28,32,40,48,55) | Лалате диаметр | |
3 | Иголка | J | |
Джек | K | ||
4 | Свяжитесь с кодом комбинации | Sign assembled code | |
5 | разъем | Не впадает в нет | A |
затыкать | тюлень | ||
Не отмечается | |||
6 | Прямой | щит | P |
Беззаботный | Q | ||
Изгиб | щит | R | |
Беззаботный | S | ||
7 | Модифицированный код | B, D, E…… | |
Примечание. Модель пробки и розетки отмечены отдельно на продукте.


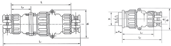
Code | 16 | 20 | 28 | 32 | 36 | 40 | 48 | 55 |
D | 16 | 20 | 28 | 32 | 36 | 40 | 48 | 55 |
L1 | 106 | 114 | 128 | 134 | 140 | 142 | 146 | 146 |
L | 86 | 92 | 100 | 106 | 112 | 114 | 118 | 118 |
L2 | 28 | 32 | 36 | 40 | 42 | 42 | 44 | 44 |
L3 | 58 | 60 | 64 | 66 | 70 | 72 | 74 | 74 |
L4 | 68 | 71 | 78 | 80 | 84 | 86 | 88 | 88 |
L5 | 64 | 71 | 81 | 81 | 84 | 88 | 98 | 106 |
Q1 | 28.5 | 36 | 48 | 52 | 54 | 60 | 68 | 74 |
Q2 | 40 | 48 | 62 | 66 | 67 | 72 | 81 | 88 |
Q3 | 50 | 59 | 76 | 80 | 81 | 86 | 95 | 102 |
h | 19 | 22 | 30 | 32 | 34 | 40 | 48 | 52 |
H | 25 | 30 | 38 | 40 | 42 | 48 | 58 | 64 |
Планета


Оболочка сокета с диаметром | Контактный номер пары | Контактная пара код | ||||
общий | Группировка диаметром (мм) | |||||
1.5 | 2.5 | 3.5 | 5.5 | |||
16 | 2 | 2 | 1 | |||
3 | 3 | 2 | ||||
4 | 4 | 3 | ||||
20 | 2 | 2 | 1 | |||
2 | 2 | 2 | ||||
3 | 3 | 3 | ||||
3 | 1 | 3 | 4 | |||
4 | 4 | 5 | ||||
4 | 4 | 7 | ||||
4 | 2 | 2 | 8 | |||
5 | 5 | 9 | ||||
5 | 5 | 10 | ||||
7 | 7 | 11 | ||||
28 | 2 | 2 | 1 | |||
4 | 4 | 7 | ||||
4 | 2 | 2 | 8 | |||
4 | 4 | 9 | ||||
4 | 2 | 2 | 2 | |||
4 | 2 | 2 | 10 | |||
6 | 4 | 2 | 3 | |||
6 | 6 | 11 | ||||
7 | 7 | 4 | ||||
7 | 7 | 12 | ||||
7 | 5 | 2 | 13 | |||
7 | 4 | 3 | 14 | |||
7 | 3 | 4 | 15 | |||
32 | 8 | 8 | 2 | |||
8 | 8 | 7 | ||||
8 | 7 | 1 | 8 | |||
8 | 4 | 4 | 9 | |||
10 | 10 | 10 | ||||
10 | 6 | 4 | 11 | |||
12 | 6 | 6 | 3 | |||
12 | 12 | 12 | ||||
14 | 14 | 4 | ||||
40 | 3 | 3 | 1 | |||
9 | 5 | 4 | 3 | |||
14 | 8 | 6 | 3 | |||
14 | 12 | 2 | 4 | |||
14 | 14 | 5 | ||||
15 | 15 | 6 | ||||
15 | 13 | 2 | 7 | |||
16 | 14 | 2 | 8 | |||
16 | 16 | 9 | ||||
48 | 20 | 14 | 6 | 5 | ||
26 | 26 | 6 | ||||
55 | 30 | 22 | 8 | 3 | ||
30 | 30 | 4 | ||||
30 | 24 | 6 | 5 | |||
35 | 23 | 10 | 2 | 7 | ||
35 | 33 | 2 | 8 | |||
Контактный столбец спаривания


..........
..............
................
