6 -дюймовый сабвуфер Hywei 6.5 -INCH и динамик среднего баса можно использовать в качестве 6 -дюймового чистого звукового динамика SS6N SS6N

Вес товара: ~0.7 кг. Указан усредненный вес, который может отличаться от фактического. Не включен в цену, оплачивается при получении.
Описание товара
- Информация о товаре
- Фотографии


SS6N низкий средний звуковой динамик
Датская пленка P.M.K Double -Layer Yunmu High -Clought Film, High Cash -High Bubble Cring, линейный дизайн регулировки фазы.Частотная характеристика является прямой и широкой, параметры FS и QTS являются умеренными, а звук сбалансирован, естественный, сладкий и деликатный.Высокопроизводительная кислородная антимагнитная магнитная цепная структура, повышенная проницательная бассейн железа.Потери неворекса потребляют скелет катушки Kapton Sound и высокопроизводительное кольцо SV SV, которое очень мощно.Ультра -полное линейное линейное смещение, динамический диапазон широкий, а низкочастотное искажение невелико.Сформулирование точного компьютерного моделирования Конструкция интегрированная узкоквадратичная железная бассейна, элимирующая паразитный структурный резонанс.
  это устройство подходит для единицы частоты с низкой средой в домохозяйственной фазовой фазовой фазовой фазовой фазе системы динамиков книжной полки, которая более подходит для низко-среднечастотной единицы в двойной инвертированной фазе. Система динамиков с потолком.
Параметр малого/вора этого подразделения оптимизируется исследовательским центром Electroach в штаб -квартире США группы Havili!
Передний план

Вид сзади

вид сбоку

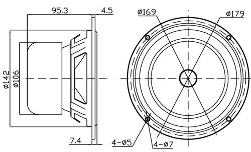
Механическая диаграмма размера

Частая кривая диаграмма

Диаграмма кривой импеданса

| SS6N Низкий средний звуковой динамик технические параметры | ||
|   оценка импеданса: | 8Ω | |
|   частота резонанса: | 44Hz | |
|   Рейтинг мощность: | 45W | |
|   максимальная мощность: | 90W | |
|   чувствительность (2,83 В/1 м): | 90dB | |
|   Вес: | 2.0kg | |
|   диаметр звуковой катушки: | 25mm | |
|   сопротивление DC: | 6.5Ω | |
|   Ширина звука: | 14.5mm | |
|   Провод Audio Wire: | &Nbsp; линия SV с высокой температурой | |
|   Sound Coil Skeleton: |   высокотемпературная стойкость k | |
|   тип магнитной цепи: | экранированная анти -магнитная цепь | |
| магнитный материал: |   высокопроизводительный кислород | |
|   коэффициент мощности (значение BL): | 7.6N/A | |
|   высота магнитного зазора: | 6.0mm | |
|   максимальное линейное смещение: | 4.3mm | |
|   Shunness: | 951uM/N | |
|   Механическое значение Q: | 4.44 - | |
|   Электрическое значение Q Значение: | 0.40 - | |
|   общее значение Q: | 0.36 - | |
|   качество вибрации: | 14g | |
|   эквивалентно тому: | 23.9L | |
|   тип коробки: |   Руководство | |
|   рекомендуется чистый объем коробки: | 10L | |
| &Nbsp; направляющая настройка трубы частота гармонии: | 50Hz | |
|   | 54Hz | |





