Коммерческая помощь самолета самолета Райт Братья по всей электрической системе

Вес товара: ~0.7 кг. Указан усредненный вес, который может отличаться от фактического. Не включен в цену, оплачивается при получении.
Описание товара
- Информация о товаре
- Фотографии
Большинство систем питания домашних самолетов используют 12 В постоянного тока.Корпус самолета представляет собой отрицательный электрод, а положительный электрод аккумулятора или генератора проходит через переключатель авиации (обычно известный как выключатель цепи) и источник питания пользователю.Принцип аналогичен схеме автомобиля, но требования выше в двух аспектах: во -первых, детали являются надежными и долговечными, вибрационным сопротивлением, а другой - облегчить более позднее обслуживание, техническое обслуживание и замену аксессуаров.Для обеспечения безопасного полета домашние энтузиасты самолетов используют специальные авиационные аксессуары.
Образец машинаB-00NDНапример, система питания в основном объясняет выбор двух важных авиационных электрических аксессуаров. Одним из них является авиационное реле (SOLENOID), Одно - это открытие авиационной перемычки (CIRCUIT BREAKER)),:,
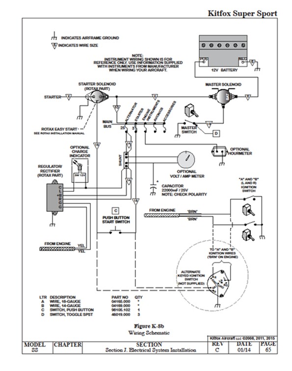
Прежде всего, рисунок ниже представляет собой принципиальную диаграмму всей системы питания машины.



Во -вторых, это главная эстафета для посвященной авиации (MASTER SOLENOID) И начать эстафету(START SOLENOID),Все они являются спиральной электромагнитной катушкой, которая надежна и устойчива к работе.
Смотрите реальную вещь ниже.Большой - главная реле, а маленькая - начать реле.


Наконец, введите переключатель авиации (C/B), принятый домашним самолетом (C/B).
Схема домашнего самолета также требует защиты от перегрузки. Здесь ни страхование плавления, ни автоматическое выключатель, используемый народными мебелью дома, а авиационной перемычкой.

Число, отмеченное головкой перемычки авиации, является максимальным током, который может быть загружен.Автоматический прыжок из переключателя прыжков ниже 10а может быть нарушением тока цепи и выпрыгните, но переключатель прыжков в течение 10А или более должен быть осторожно обрабатывать. Мы не должны слепо сбросить, чтобы избежать более высоких разломов, что влияет на безопасность полета.


Другое использование переключателя Jump - это изолированные пользователи,Переключатель перемычки, ниже переключающий, отключен. Это могут быть изолированные компоненты, которые необходимо отключить, или убедиться, что некоторые электронные компоненты, такие как кнопка загрузки двигателя, не будут случайно касались и вызывают опасность.

Этот ребенок - популярный научный пост, пожалуйста, не принимайте его напрямую.Компоненты, показанные на изображениях, отображаются и не продаются в настоящее время.
Авиационная реле и авиационная перемычка будут подробно запущены, так что следите за обновлениями.
Если у вас есть технические проблемы для системы электроснабжения самолетов, пожалуйста, проконсультируйтесь с обслуживанием клиентов.





