Grooved Gold -Seal Pipe Aluminum Hot Bridge длиной 120 мм 8 юаней на один

Вес товара: ~0.7 кг. Указан усредненный вес, который может отличаться от фактического. Не включен в цену, оплачивается при получении.
Описание товара
- Информация о товаре
- Фотографии
Описание продукта:
 Например, если вы возьмете 4 штуки, вы отправитесь в длину 4 12 см.
Как показано на рисунке в длину 12 см, цена составляет 16 юаней.
0,5 метра в длину 25 юаней.Потому что во время транспортировки легко согнуться,Не рекомендуется покупать одну спецификацию более 0,5 метра.
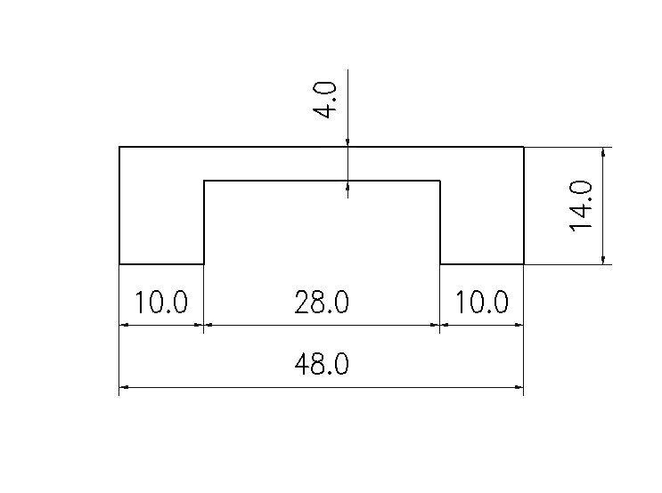
Длина этого профиля составляет 120 мм.КорабльЕсли настраиваемая сокращение длины, пожалуйста, свяжитесь с обслуживанием клиентов и будет взиматься с 50 юаней на метр.
Каждому разделу взимается еще 2 юаня.Совокупный 40 юаней для продажи.
Например: длиной 8 44 см, цена рассчитывается следующим образом:
50 юаней&Раз;&Времена;&время;
Поскольку мастерская занята, один вырез очень неприятный.
Для рассеянных заказов, если единая цена составляет менее 10 юаней, она взимается в 10 юаней.Пожалуйста, свяжитесь с владельцем магазина напрямую.
 На рисунке ниже усилитель мощности мощного ежа проходов показывает использование таких горячих мостов.После установки верхняя часть трубы золотого уплотнения имеет 1 -миллиметровый зазор на верхней части бороздки канавки, чтобы убедиться, что у изоляции нет проблем.








