Digital Display Springering Iron T12 Плата управления, контроллер капусты белого света, Super Mini Module, быстрый идентификатор восстановления температуры: 10003

Вес товара: ~0.7 кг. Указан усредненный вес, который может отличаться от фактического. Не включен в цену, оплачивается при получении.
Описание товара
- Информация о товаре
- Фотографии
| Цвет: | Красный, Синий |
один.Функциональные характеристики:
1. Регулируемый энкодер не является регулируемым резистором;
2. Оптимизировать алгоритм температуры, производительность, контролируемая температурой, хороша;
3. Отопление сегментировано, самое быстрое0.025SКонтроль один раз;
4. Скорость нагревания быстрая,8Второй(источник питания19V)Тинид;
5. Поддержать автоматическую бездействие, чтобы защитить цель бренда;
6. После выключения дыхательный свет отображается динамически;
7. Поддержка автоматического пробуждения;
8. Автоматическое поколениеиАвтоматически проснутьсяВы можете установить его, или вы можете включить его;
9. Время покоя может быть отрегулировано;
10. Действительная температура может быть предустановлена;
11. Время отключения после того, как спят может быть установлено;
12. Руководство по поддержке одинНазад отключение железаиОдин ключЭлектрическое железо включается;
13. Поддержите силу для восстановления последнего рабочего статуса, вы можете установить его;
14. Добавлять1Алгоритм температуры назад(20160930)Предметы
15. Функция проверки температуры, простая работа;
16. Управляемая регулировка функции чипа OP AMP;
17. Восстановить функцию настройки завода;
18. Алгоритм открытой сигнализации;
19. Непрерывное отопление40Второй механизм защиты;
20. непрерывно работает10Почасовой механизм защиты от закрытия;
21. Настройка параметровТолько1Шаг, или2шагВнезапноЗаканчиватьПредметы
22. Высококачественный чип напряжения напряжения мощности, поддержка14V— 24VНапряжение;
23. использоватьOSРеальная встроенная система, скорость отклика чувствительна;
24. Тщательно оптимизируйте схему;
25. Надежная и стабильная обработка сигнала;
26. Маленький и изысканный, супер мини.
Подробные шаги работы описаны в документе этой веб -страницы, или загружается следующий облачный диск (пароль не требуется)
Последняя версия Ver2.1 http://pan.baidu.com/s/1c2qSbpm
   
 &ds=1
 
1.    
 
2.  
 


 

3.  
4.  
5.  Спасибо ZTX2008 насильственное тестПолем
  градусы.
 
 &fpage=8
 
 &ds=1&page=e#a
 ) Адрес DIY: http://bbs.mydigit.cn/read.php?&page=1
 
 ) URL:http://bbs.mydigit.cn/read.php?tid=1925551
 
 
Разница между этим контроллером и другими контроллерами:
1. 
a)  
b)  
2. 
a)  Если это общедоступная версия, все параметры должны быть установлены вместе, чтобы вернуться в состояние.
b)  
 
Если вы используете этот контроллер после использования этого контроллера, вы будете сумасшедшими;
Адрес аксессуаров:
1.  
2.  
3.  
4.  
После получения платы управления сначала используйте источник питания 5V для подключения + и - , Дышит ли цифровая трубка,Этот шаг только хочет, чтобы друзья знали, что качество доски хорошее (только после двух тестов), пожалуйста, будьте уверены!
Подробности, не оказывайте техническую поддержку!Если нет описания, пожалуйста, оставьте сообщениеПересечениеИзмените этот магазин!




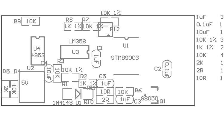
Описание окружной платы:
1.  
2.  
  или использовать R9 вместо R12;
3.   +, -КоррекцияЗатем вызовите силу и сжигает спину;
4.    
5.   
6.  
7.  
советы:
1. &В NBSP;
2.  нет78L05, с силиконом, теплопроводимостью и фиксацией, а также одиночной повторной фиксацией;
Небольшой размер модуля:
Более толстая подготовка 10 мм пространство

1.  
Красивая цепная схема проводки:

Любая модульная стабильная и надежная зависимость:
1.  (Левый левый, средний 24 В, правый 5 В, а не 78L05, не заменяйтеПолемПредметы
2.  
3.  
4.  
Прикрепите с открытым -ямыми оболочки:

Справочный метод:
1.   плата силовой цепи.
2.  
3.  
Метод подключения рукава:

Справочный метод:
1.   маленький маленький провод;
2.  (Связанная зеленая линия), 2 -й бергринг -лайн -линия, 3 -я бергганирование+ линии вывода управляющей платой;
3.  
4.  
объяснять:




DIY Fun:
diy1:
Адрес: http://bbs.mydigit.cn/read.php?&ds=1&page=e#a

Важная вещь подчеркивает 3 раза:Радиатор и оптокура

1.   положение положения кодирования и кодера - это ухо;
2.  


DIY2:
адрес:http://bbs.mydigit.cn/read.php?tid=1800905&fpage=8

Важная вещь подчеркивает 3 раза:Металлическая часть (включая алюминиевые раковины), которая может быть встречена в управляющей плате, вставлена изолирующей тканью.




Пространство, которое вам нужно, может быть очень маленьким:




Большое спасибо ZTX2008 Герои  и hmoent  Предложения, функции частично улучшены
один.Модуль статус по умолчанию:
1. Температура по умолчанию80Степень, настройки;
2. Время общежития по умолчанию5В минуты настройки;
3. По умолчанию бездействующая температура180Степень, настройки;
4. Выключить после сон по умолчанию20В минуты настройки;
3. Питание отключено по умолчанию, нажмите кнопку, чтобы включить нагревную работу;
4. Автоматическое состояние по умолчанию было включено, которое можно установить;
5. Автоматическое состояние по умолчанию было включено, которое можно установить;
6. По умолчанию возобновление питания последнего рабочего статуса была закрыта, что может быть установлено;
7. Непрерывное отопление по умолчанию40Второй статус защиты был включен и может быть установлен;
два.Описание работы модуля:
1. ВручнуюОДИН -КЛИЧЕСКОЕ ОТКЛЮЧЕНИЕ /Начните с одного щелчка:
a) собака1Следующая кнопка;
b) Если ранее работал электрический паяльный железо, теперь паярь входит в сон, цифровая трубка выключена, а дыхательный свет постепенно яркий и темный;
c) Если ранее электрическое паяльное железо было бездействующим, теперь электрическое паяльное железо начинает работать, нагревание до целевой температуры, а цифровая трубка демонстрирует температуру;
2. Температура электрического железа:
a) Энкодер вращается по часовой стрелке по каждой стрелке, температура плюс10Степень, самый высокий может быть установлен на400Степень;
b) Энкодер вращается по одному против часовой стрелки за раз, и температура снижается10Степень, минимум может быть установлен на80Степень;
c) Согласно установленному значению, контроллер автоматически регулирует температуру железного железа железа в режиме реального времени;
d) Энкодер не движется,5Через несколько секунд сохраните значение температуры настройки;
3. Установите время бездействия:
a) Нажмите кнопку, чтобы достичь1Во -вторых, то есть цифровая трубка сначала1Вспыхивать в десятичной точке1Вниз;
b) Поверните энкодер, цифровая трубка показывает время покоя, устройство - минуты,2Десятичные огни часто освещаются, а в настоящее время ключи могут быть выпущены;
c) Кодер вращает квадрат по часовой стрелке, а спящее время добавляется1В середине мину, самый высокий может быть установлен на30минута;
d) Энкодер вращается по одному против часовой стрелки за раз, а время покоя1В минуты, по крайней мере, это можно настроить на1минута;
e) Энкодер не движется,5Через несколько секунд сохранить время бездействия;
Фабрика по умолчанию:5минут.
4. Установите дневную температуру:
a) Нажмите кнопку, чтобы достичь2Во -вторых, то есть цифровая трубка сначала1Вспыхивать в десятичной точке2Вниз;
b) Поверните энкодер, цифровая трубка показывает дневную температуру,2Десятичные огни часто освещаются, а в настоящее время ключи могут быть выпущены;
c) Энкодер вращается по часовой стрелке по каждой стрелке, температура плюс10Степень, самый высокий может быть установлен на250Степень;
d) Энкодер вращается по одному против часовой стрелки за раз, и температура снижается10Степень, минимум может быть установлен на80Степень;
e) Энкодер не движется,5Через несколько секунд сохранить настройку дремительной температуры;
Фабрика по умолчанию:180Сущность
5. Настройка после покоя:
a) Нажмите кнопку, чтобы достичь3Во -вторых, то есть цифровая трубка сначала1Вспыхивать в десятичной точке3Вниз;
b) Поверните энкодер, цифровая трубка отображает время выключения, устройство - минуты, первая2Десятичные огни часто освещаются, а в настоящее время ключи могут быть выпущены;
c) Энкодер вращается по часовой стрелке, и время отключения добавляется1В середине мину, самый высокий может быть установлен на30минута;
d) Энкодер вращается по одному против часовой стрелки за раз, а время отключения уменьшается1В минуты, по крайней мере, это можно настроить на1минута;
e) Энкодер не движется,5Через несколько секунд сохранить время выключения;
Фабрика по умолчанию:20минут.
6. Включить автоматическое поколение /Выключить автоматическую дремлющую
a) Нажмите кнопку, чтобы достичь1Во -вторых, то есть цифровая трубка сначала1Вспыхивать в десятичной точке1Спуститься, отпустите кнопку;
b) Если автоматическое дремотное состояние было отключено раньше, автоматическая дремлющая способность была изменена, чтобы включить автоматическую спятую и цифровой дисплей“S1”
c) Если автоматическое дрянное состояние было включено ранее, автоматическая спящая была отключена, а цифровая трубка отображалась“S0”
Фабрика по умолчанию: включить автоматическое поколение.
7. Включить автоматическое след /Закрыть автоматическое пробуждение - (Сначала открытая автоматическая дремлющая):
a) Нажмите кнопку, чтобы достичь3Во -вторых, то есть цифровая трубка сначала1Вспыхивать в десятичной точке3Спуститься, отпустите кнопку;
b) Если автоматическое дремотное состояние было отключено раньше, автоматическая дремлющая способность была изменена, чтобы включить автоматическую спятую и цифровой дисплей“A1”
c) Если автоматическое дрянное состояние было включено ранее, автоматическая спящая была отключена, а цифровая трубка отображалась“A0”
Фабрика по умолчанию: запустите автоматическое бездействие.
8. Электроэнергия для восстановления последнего рабочего статуса (Сначала открыть автоматическую бездействие, и вы можете закрыть его позже):
a) Нажмите кнопку, чтобы достичь4Во -вторых, то есть цифровая трубка сначала1Вспыхивать в десятичной точке4Спуститься, отпустите кнопку;
b) Если вы отключили восстановление мощности раньше, восстановление мощности изменяется, и цифровой дисплей Tube Display“F1”Рабочий статус;
c) Если предыдущее восстановление питания включено, восстановление питания отключено, а цифровой дисплей“F0&Rdquo;
Фабрики по умолчанию: закройте восстановление мощности.
9. Восстановить параметры настройки заводской настройки:
a) Нажмите кнопку, чтобы достичь6Во -вторых, то есть цифровая трубка сначала1Вспыхивать в десятичной точке6Спуститься, отпустите кнопку;
b) Цифровой дисплей“P0”
10. Восстановить проверку температуры завода /Введите параметры расстройства:
a) Нажмите кнопку, чтобы достичь7Во -вторых, то есть цифровая трубка сначала1Вспыхивать в десятичной точке7Вниз;
b) Цифровой дисплей“C0”, выпустите кнопку в это время,Проверка температуры и входные параметры дисбаланса были восстановлены в настройках заводских настроек;
11. Проверка температуры:
a) В соответствии с вышеуказанной операцией, параметры проверки температуры и входного дисбаланса были сначала восстановлены на настройках заводов;
b) Поверните энкодер, отрегулируйте температуру до температуры, используемой при нормальном использовании, например:220Степень, подождите, пока электрическое паяльное железо нагревается;
c) Используйте профессиональный инструмент измерения температуры для измерения температурной мощности электрического железа в настоящее время, например ::230Степень;
d) Нажмите кнопку, чтобы достичь5Во -вторых, то есть цифровая трубка сначала1Вспыхивать в десятичной точке5Вниз;
e) Поверните энкодер, цифровой дисплейТемпература калибровки, № 11Десятичные огни часто освещаются, а в настоящее время ключи выпускаются;
f) Поверните энкодер, отрегулируйте значение температуры калибровкиЗначение температуры, измеренное для профессионального оборудования, например230Степень;
g) Энкодер поворачивается по часовой стрелке по часовой стрелке по часовой стрелке, а температура калибровки плюс10Степень, самое высокое может быть установлено при температуре электрического железа+80Степень, например:220+50=270Предметы
i) Энкодер вращается по одному против часовой стрелки за раз, а температура калибровки снижается10Степень, минимум может быть установлен в качестве температуры железной пайки железа-80Степень, например:220-50=170Предметы
j) Энкодер не движется,5Через несколько секунд сохранить набор температуры калибровки;
g) Электрическое паяльное железо автоматически приближается к температуре после калибровки посредством нагрева или температуры;
Эта функция обычно не установлена.
12. Установить входное напряжение дисбаланса:
a) Поверните энкодер, отрегулируйте температуру до минимальной температуры80Степень;
b) Один ключЭлектрический паяльный железо, входящее в бездействие;
c) Скидки на питание, подождите30минута;
d) Нажмите кнопку, продолжайте нажимать на состояние, добавлять питание, работу модуля, а дыхательный свет постепенно осветляется и темнее;
e) достигать5После секунды отображается цифровая трубка“C1”, вы можете выпустить ключи в это время;
f) Одиночная машина автоматически сохраняется, в настоящее время напряжение расстройства ввода;
Большая часть этой функции не требуется.“”
13. Непрерывное отопление40Вторая защита:
a) Нажмите кнопку, чтобы достичь5Во -вторых, то есть цифровая трубка сначала1Вспыхивать в десятичной точке5Спуститься, отпустите кнопку;
b) Если он непрерывно нагревался до40Вторая защитаОткройте состояние, выключите его, отображайте цифровой пробирку“H1”, позволил электрическому паяльному железу непрерывно исцелять больше, чем40Второй;
c) Если он непрерывно нагревался до40Вторая защитаЗакрыть состояние, изменить на открытие, цифровой дисплей трубки“H0”, не допускается непрерывно нагревать электрическое паяльное железо40Второй.Когда есть защита, вы можете выключить его одним щелчком и одним загрузкой.40Второй;
Фабрика по умолчанию: открыть состояние, рекомендуется не выключать функцию защиты от перегрева, просто дефолт, общий40Во -вторых, этого было достаточно, чтобы испечь электрическое железо.
ЧетыреДругие функции отображения:
1. Статус отопления:
a) Когда температура ниже, чем заданная температура, паяльное железо нагревается, а цифровая трубка - первая2Десятичное мерцание;
b) Когда температура достигает заданной температуры, электрическое железо останавливается и нагревается, а цифровая трубка - первая2Десятичный не яркий;
2. Цифровой дисплейH0:
a) Электрическое паяльное железо непрерывно нагревается больше, чем больше40Во -вторых, защитить, прекратить нагревание;
b) ОДИН -КЛИЧЕСКОЕ ОТКЛЮЧЕНИЕ /Один -клик загрузок, защита поднятия и нагрев40Второй;
3. Цифровой дисплейE1:
a) Во время возникновения защиты нагрева не существует выходного сигнала.PMOSПовреждение трубки или защита от короткого окружения;25mV, Защищая это напряжение ниже этого напряжения;
b) Вам нужно проверить, не имеют ли у вас короткие циклы, а затем проверить, подключена ли неправильная питание, а затем проверьтеPMOSПоврежден ли он, после устранения проблемы, выключите одним щелчком /Запустить, удалить защиту и продолжить нагрев;
Принцип: одно -гликовое управление машинойmosВыход трубыout+, Но одноразовая машина не читаетсяout+ОтчетE1ошибка.
4. Цифровой дисплей“E2”
a) Электрические солдаты были открыты для бдительности, и паяльный железо не мог слышать;
b) После открытия схемы она автоматически восстанавливается;
c) Если силовой шум относительно большой, он не может быть обнаружен, чтобы быть открытым;
Принцип: непрерывное отопление6В секундах температура не может быть достигнута60Степень, отчетE2ошибка.
5. Автоматическое мерцающее световой свет, то есть первое1Десятичное мерцание:
a) При трясе электрической железной ручки, если первое1Мигание десятичной точки, то есть функция автоматического неактивного состояния уже былаДавать возможность;
b) При трясе электрической железной ручки, если первое1Не прошивайте небольшое число, то есть автоматическая функция неактивного состояния уже былазакрытие;
6. Постоянные светильники часто включены, то есть первое1Десятичный зажжен:
a) Если это не при температуре калибровки, то есть он вступил в бездействующее состояние,1Десятичное освещение;
b) Цифровая трубка показывает дневную температуру, а паяльное железо также падает до дневной температуры;
c) Встряхнуть ручку(Если включено автоматическое состояние бодрствования), Разбудить электрическое железо, первое1Десятичный не яркий;
d) Нажмите кнопку или поверните энкодер(Не рекомендуется), Разбудить электрическое железо, первое1Десятичный не яркий;
7. Дыхательный свет:
a) После того, как электрическое паяльное железо выключено, цифровая трубка не отображается, а дыхательный свет постепенно осветляется и темнее;
b) После того, как электрическое железо включено, отображается цифровая трубка, а дыхательный свет не яркий;
пять.Другие функции:
1. непрерывно работает10Защита часов:
a). Кумулятивное время к мощности электрического железа10Защита SMB, автоматически входит в состояние выключения, полностью исключите состояние сухого электрического железа;
b) Каждый раз, когда он включается, кумулятивное время пустое, и время переоценивается;
2017-01-01
ID:10003
Ver:2.1
Магазин TaobaoMikyD
Диаграмма Di Diy:
ztx2008 

lhkbjg 

Hog23 DIY Диаграмма:
Адрес: http://bbs.mydigit.cn/read.php?


huangchuanxi 
Адрес: http://bbs.mydigit.cn/read.php?

  Специальное заявление:
1. 
2. 











